DC мотор-редуктор 5DC90W / 5GU75 … 300K Номинальная мощность – 0.09 кВт Выходные обороты: 9.0 об/мин ... 25 об/мин
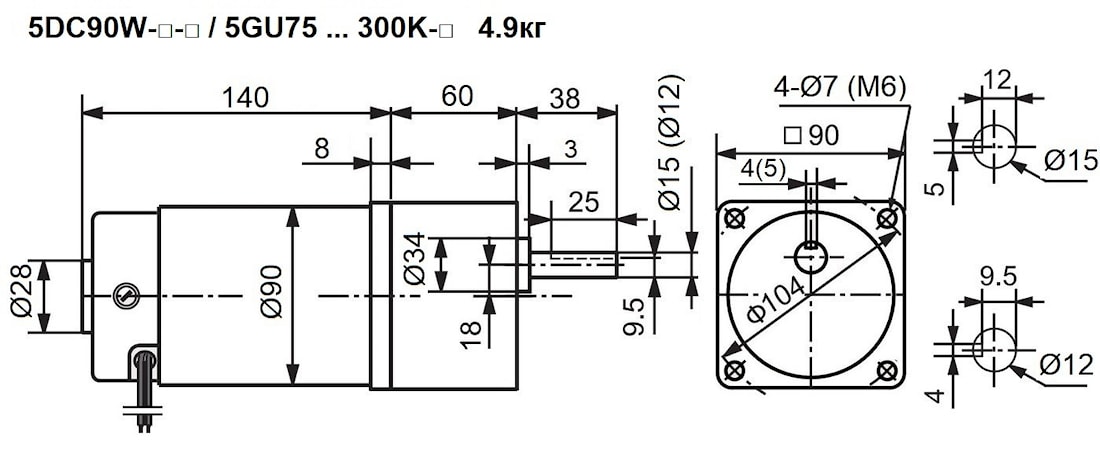
Мотор-редуктор 5DC90W-□-□ / 5GU75 … 300K-□ - привод состоящий из двигателя постоянного тока (мощностью 90 Ватт) и цилиндрической коробки зубчатых передач. Электродвигатель работает от сети постоянного тока 12 В, 24 В, 90 В, 110 В, 220 В.
Степень защиты IP44.
Благодаря применению компактного цилиндрического редукторного механизма получается снижать выходные обороты в диапазоне от 9.0 об/мин до 24 об/мин.
Гарантия: 12 месяцев.
Схема подключения
Контроллер регулирования скорости
| Обороты на выходном валу | Передаточное число | Крутящий момент на выходном валу | Мотор-редуктор | Диаметр вала | Вес |
| n2 (об/мин-1) | i | M2 (Нм) | m (кг) | ||
| 9.0 | 200 | 67 | 5DC90W-□-1.8s / 5GU200K-□ | 15 (12) | 4.9 |
| 10 | 180 | 60 | 5DC90W-□-1.8s / 5GU180K-□ | 15 (12) | 4.9 |
| 11 | 300 | 56 | 5DC90W-□-3.2s / 5GU300K-□ | 15 (12) | 4.9 |
| 12 | 150 | 50 | 5DC90W-□-1.8s / 5GU150K-□ | 15 (12) | 4.9 |
| 13 | 250 | 47 | 5DC90W-□-3.2s / 5GU250K-□ | 15 (12) | 4.9 |
| 15 | 120 | 40 | 5DC90W-□-1.8s / 5GU120K-□ | 15 (12) | 4.9 |
| 16 | 200 | 38 | 5DC90W-□-3.2s / 5GU200K-□ | 15 (12) | 4.9 |
| 18 | 180 | 34 | 5DC90W-□-3.2s / 5GU180K-□ | 15 (12) | 4.9 |
| 18 | 100 | 33 | 5DC90W-□-1.8s / 5GU100K-□ | 15 (12) | 4.9 |
| 20 | 90 | 30 | 5DC90W-□-1.8s / 5GU90K-□ | 15 (12) | 4.9 |
| 21 | 150 | 28 | 5DC90W-□-3.2s / 5GU150K-□ | 15 (12) | 4.9 |
| 24 | 75 | 25 | 5DC90W-□-1.8s / 5GU75K-□ | 15 (12) | 4.9 |

Условное обозначение
| DC Мотор-редуктор | 5DC | 90W | 110V | 1.8s | / | 5GU | 120 | K | C15 |
|
| |||||||||
| | вых фланец □90х90 (см.также) | Мощность | Напряжение | Выходные обороты мотора |
| Марка редуктора | Передаточное число | Индекс используемого подшипника | Диаметр выходного вала |
| варианты: | - | - | 12V – 12 В 24V – 24 В 90V – 90 В 110V – 110 B 220V – 220 В | 1.8s – 1800 об/мин 3.2s – 3200 об/мин |
| - | 75 90 100 120 150 180 200 250 300 | 12мм 15мм | |
+7 (495) 369-04-89
+7 (910) 726-725-4 (МТС) Смоленск
info@tech-privod.com
Республика Беларусь
+375 17 272-04-08 (т/ф) Минск
+375 29 61-787-61 (A1) Минск

