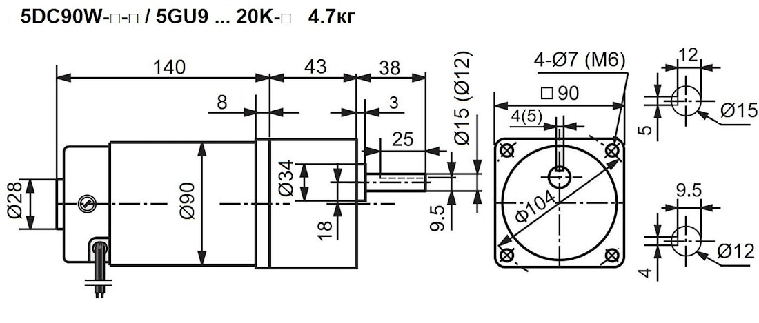
DC мотор-редуктор 5DC90W / 5GU9 … 20K Номинальная мощность – 0.09 кВт Выходные обороты: 90 об/мин ... 220 об/мин
Мини мотор-редуктор 5DC90W-□-□ / 5GU9 … 20K-□ - привод состоящий из двигателя постоянного тока (мощностью 90 Ватт) и цилиндрическим редукторным механизмом. Напряжение электродвигателя 12 В, 24 В, 90 В, 110 В, 220 В, степень влаго- пыле- защиты IP44 (смотри).
Компактный редукторный механизм 5GU c развернутым рядом передаточных чисел:u=9, u=10, u=12.5, u=15, u=18, u=20
Контроллер регулирования скорости
| Обороты на выходном валу | Передаточное число | Крутящий момент на выходном валу | Мотор-редуктор | Диаметр вала | Вес |
| n2 (об/мин-1) | i | M2 (Нм) | m (кг) | ||
| 90 | 20 | 6.7 | 5DC90W-□-1.8s / 5GU20K-□ | 15 (12) | 4.7 |
| 100 | 18 | 6.0 | 5DC90W-□-1.8s / 5GU18K-□ | 15 (12) | 4.7 |
| 120 | 15 | 5.0 | 5DC90W-□-1.8s / 5GU15K-□ | 15 (12) | 4.7 |
| 144 | 12.5 | 4.2 | 5DC90W-□-1.8s / 5GU12.5K-□ | 15 (12) | 4.7 |
| 160 | 20 | 3.8 | 5DC90W-□-3.2s / 5GU20K-□ | 15 (12) | 4.7 |
| 178 | 18 | 3.4 | 5DC90W-□-3.2s / 5GU18K-□ | 15 (12) | 4.7 |
| 180 | 10 | 3.3 | 5DC90W-□-1.8s / 5GU10K-□ | 15 (12) | 4.7 |
| 200 | 9 | 3.0 | 5DC90W-□-1.8s / 5GU9K-□ | 15 (12) | 4.7 |
| 213 | 15 | 2.8 | 5DC90W-□-3.2s / 5GU15K-□ | 15 (12) | 4.7 |

Условное обозначение
| DC Мотор-редуктор | 5DC | 90W | 110V | 3.2s | / | 5GU | 15 | K | C12 |
|
| |||||||||
|
| вых фланец □90х90 (см.также) | Мощность | Напряжение | Выходные обороты мотора |
| Марка редуктора | Передаточное число | Индекс используемого подшипника | Диаметр выходного вала |
| варианты: | - | - | 12V – 12 В 24V – 24 В 90V – 90 В 110V – 110 B 220V – 220 В | 1.8s – 1800 об/мин 3.2s – 3200 об/мин |
| - | 9 10 12.5 15 18 20 | 12мм 15мм | |
+7 (495) 369-04-89
+7 (910) 726-725-4 (МТС) Смоленск
info@tech-privod.com
Республика Беларусь
+375 17 272-04-08 (т/ф) Минск
+375 29 61-787-61 (A1) Минск

