DC мотор-редуктор 5DC90W / 5GU25 … 120K Номинальная мощность – 0.09 кВт Выходные обороты: 25 об/мин ... 75 об/мин
Моторизированная зубчатая передача 5DC90W-□-□ / 5GU25 … 120K-□ предназначена для передачи соответствующего крутящего момента и состоит из коллекторного двигателя постоянноготока номинальной мощностью 90 Вт и редукторного механизма5GU c передаточными числами от25 до 120. В зависимости от передаточного числа частота вращения выходного вала от 25 об/мин до 75 об/мин.
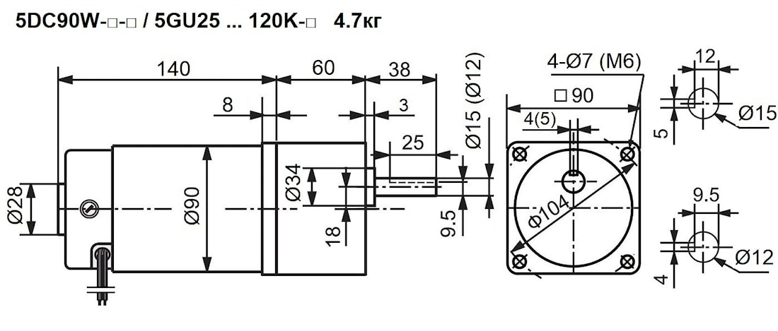
Диаметр вала предложенной трансмиссии может диаметром 15 и 12, при заказе этот вопрос надо уточнять. Рабочая температура привода может достигать + 70С. Ресурс двигателя – 8000 часов работы.
Контроллер регулирования скорости
| Обороты на выходном валу | Передаточное число | Крутящий момент на выходном валу | Мотор-редуктор | Диаметр вала | Вес |
| n2 (об/мин-1) | i | M2 (Нм) | m (кг) | ||
| 27 | 120 | 23 | 5DC90W-□-3.2s / 5GU120K-□ | 15 (12) | 4.7 |
| 30 | 60 | 20 | 5DC90W-□-1.8s / 5GU60K-□ | 15 (12) | 4.7 |
| 36 | 90 | 17 | 5DC90W-□-3.2s / 5GU90K-□ | 15 (12) | 4.7 |
| 43 | 75 | 14 | 5DC90W-□-3.2s / 5GU75K-□ | 15 (12) | 4.7 |
| 45 | 40 | 13 | 5DC90W-□-1.8s / 5GU40K-□ | 15 (12) | 4.7 |
| 50 | 36 | 12 | 5DC90W-□-1.8s / 5GU36K-□ | 15 (12) | 4.7 |
| 53 | 60 | 11 | 5DC90W-□-3.2s / 5GU60K-□ | 15 (12) | 4.7 |
| 60 | 30 | 10 | 5DC90W-□-1.8s / 5GU30K-□ | 15 (12) | 4.7 |
| 64 | 50 | 9.4 | 5DC90W-□-3.2s / 5GU50K-□ | 15 (12) | 4.7 |
| 72 | 25 | 8.4 | 5DC90W-□-1.8s / 5GU25K-□ | 15 (12) | 4.7 |

Условное обозначение
| DC Мотор-редуктор | 5DC | 90W | 24V | 3.2s | / | 5GU | 36 | K | C15 |
|
| |||||||||
![]() | вых фланец □90х90 (cм.также) | Мощность | Напряжение | Выходные обороты мотора |
| Марка редуктора | Передаточное число | Индекс используемого подшипника | Диаметр выходного вала |
| варианты: | - | - | 12V – 12 В 24V – 24 В 90V – 90 В 110V – 110 B 220V – 220 В | 1.8s – 1800 об/мин 3.2s – 3200 об/мин |
| - | 25 30 36 40 50 60 75 90 100 120 | 12мм 15мм | |
+7 (495) 369-04-89
+7 (910) 726-725-4 (МТС) Смоленск
info@tech-privod.com
Республика Беларусь
+375 17 272-04-08 (т/ф) Минск
+375 29 61-787-61 (A1) Минск

