DC мотор-редуктор 5DC90W / 5GU3 … 12.5K Номинальная мощность – 0.09 кВт Выходные обороты: 240 об/мин ... 1060 об/мин
DC мини мотор редукторы 5DC90W-12V-□ / 5GU3 … 12.5K-□ (12 В), 5DC90W-24V-□ / 5GU3 … 12.5K-□ (24 В), 5DC90W-110V-□ / 5GU3 … 12.5K-□ (90 В), 5DC90W-110V-□ / 5GU3 … 12.5K-□ (110 В), 5DC90W-220V-□ / 5GU3 … 12.5K-□ (220 В) - маломощный привод, состоящий из двигателя постоянного тока номинальной мощностью 90 ватт, напряжением 12 В, 24 В, 90 В, 110 В, 220 В и из механической одноступенчатой редукторной части с малыми передаточными отношениями, что в результате предоставляет возможность получать 240 об/мин … 1067 об/мин на выходе с небольшими крутящими моментами.
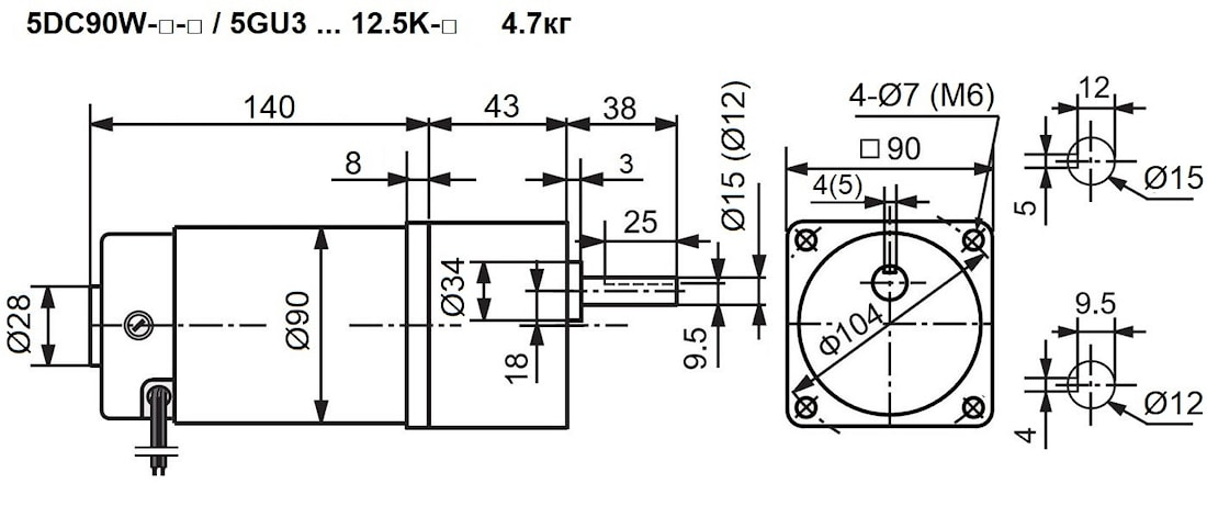
Вес привода в сборе - 4,7 кг.
Контроллер регулирования скорости
| Обороты на выходном валу | Передаточное число | Крутящий момент на выходном валу | Мотор-редуктор | Диаметр вала | Вес |
| n2 (об/мин-1) | i | M2 (Нм) | m (кг) | ||
| 240 | 7.5 | 2.5 | 5DC90W-□-1.8s / 5GU7.5K-□ | 15 (12) | 4.7 |
| 256 | 12.5 | 2.4 | 5DC90W-□-3.2s / 5GU12.5K-□ | 15 (12) | 4.7 |
| 300 | 6.0 | 2.0 | 5DC90W-□-1.8s / 5GU6K-□ | 15 (12) | 4.7 |
| 320 | 10 | 1.9 | 5DC90W-□-3.2s / 5GU10K-□ | 15 (12) | 4.7 |
| 356 | 9.0 | 1.7 | 5DC90W-□-3.2s / 5GU9K-□ | 15 (12) | 4.7 |
| 360 | 5.0 | 1.7 | 5DC90W-□-1.8s / 5GU5K-□ | 15 (12) | 4.7 |
| 427 | 7.5 | 1.4 | 5DC90W-□-3.2s / 5GU7.5K-□ | 15 (12) | 4.7 |
| 500 | 3.6 | 1.2 | 5DC90W-□-1.8s / 5GU3.6K-□ | 15 (12) | 4.7 |
| 533 | 6.0 | 1.1 | 5DC90W-□-3.2s / 5GU6K-□ | 15 (12) | 4.7 |
| 600 | 3.0 | 1.0 | 5DC90W-□-1.8s / 5GU3K-□ | 15 (12) | 4.7 |
| 640 | 5.0 | 0.94 | 5DC90W-□-3.2s / 5GU5K-□ | 15 (12) | 4.7 |
| 889 | 3.6 | 0.68 | 5DC90W-□-3.2s / 5GU3.6K-□ | 15 (12) | 4.7 |
| 1067 | 3.0 | 0.56 | 5DC90W-□-3.2s / 5GU3K-□ | 15 (12) | 4.7 |

Условное обозначение
| DC Мотор-редуктор | 5DC | 90W | 12V | 3.2s | / | 5GU | 3 | K | C15 |
|
| |||||||||
![]() | вых фланец □90х90 (см.также) | Мощность | Напряжение | Выходные обороты мотора |
| Марка редуктора | Передаточное число | Индекс используемого подшипника | Диаметр выходного вала |
| варианты: | - | - | 12V – 12 В 24V – 24 В 90V – 90 В 110V – 110 B 220V – 220 В | 1.8s – 1800 об/мин 3.2s – 3200 об/мин |
| - | 3 3.6 5 6 7.5 9 10 12.5 | 12мм 15мм | |
+7 (495) 369-04-89
+7 (910) 726-725-4 (МТС) Смоленск
info@tech-privod.com
Республика Беларусь
+375 17 272-04-08 (т/ф) Минск
+375 29 61-787-61 (A1) Минск

