Мини мотор редуктор 5GN750 ... 1500 (40 Ватт) Номинальная мощность - 0,04 кВт Выходные обороты: 1,0 об/мин ... 2,2 об/мин
Номинальная мощность - 0,04 кВт
Выходные обороты: 1,0 об/мин ... 2,2 об/мин
Миниатюрный, малогабаритный, надежный мотор-редуктор 5GN750 ... 1500 представляет собой асинхронный электрический двигатель номинальной мощностью 0,04 кВт переменного тока 1Ф:110 В или 220 В 3Ф: 220 В или 380 В, для работ в электрических сетях 50 Гц и 60 Гц (50Hz, 60Hz), потребляемые токи - 0,35 А и редукторная часть с передаточными отношениями i=750, i=900, i=1000, i=1200, i=1500, достигаемые крутящие моменты – 22 Нм.Электропривод выпускается для работ для равномерных режимов (S1) и прерывистых режимов (S3).
Температура окружающей среды: -10С ~ +40С.
Емкость конденсатора: 110 V - 10 мкФ, 220 V - 2,5 мкФ.
Гарантия от производителя - 12 месяцев.
Схема подключения
Опции
Условное обозначение
| Модель мотор-редуктора | Выходные обороты | Передаточное число | Крутящий момент | Масса | |||
| мотор | редуктор | вал | n2 (об/мин) | i | M2 (Нм) | m (кг) | |
| 5IK40W-GN 5RK40W-GN 5IK40W-GN-M | 5GN750XK | 12, 15 | 2.2 | 750 | 20 | ||
| 5GN900XK | 12, 15 | - | 1.6 | 900 | 20 | Стандарт – 4.15 С тормозом – 4.65 | |
| 5GN1000XK | 12, 15 | - | 1.5 | 1000 | 22 | ||
| 5GN1200XK | 12, 15 | - | 1.25 | 1200 | 22 | ||
| 5GN1500XK | 12, 15 | - | 1.0 | 1500 | 22 | ||
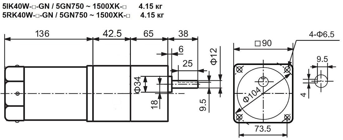
| Стандартная модель |
|
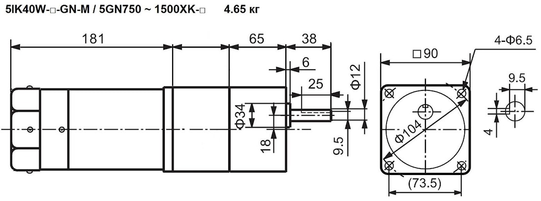
| Модель с электромагнитным тормозом |
|
Если вы хотите купить мини мотор редуктор 5GN750 ... 1500 (40 Ватт) , вы можете:
Позвонить:
Российская Федерация
+7 (495) 369-04-89
+7 (910) 726-725-4 (МТС) Смоленск
info@tech-privod.com
Республика Беларусь
+375 17 272-04-08 (т/ф) Минск
+375 29 61-787-61 (A1) Минск
+7 (495) 369-04-89
+7 (910) 726-725-4 (МТС) Смоленск
info@tech-privod.com
Республика Беларусь
+375 17 272-04-08 (т/ф) Минск
+375 29 61-787-61 (A1) Минск


