Мини мотор редуктор 5GN36 ... 100 (40 Ватт) Номинальная мощность - 0,04 кВт Выходные обороты: 15 об/мин ... 41 об/мин
Номинальная мощность - 0,04 кВт
Выходные обороты: 15 об/мин ... 41 об/мин
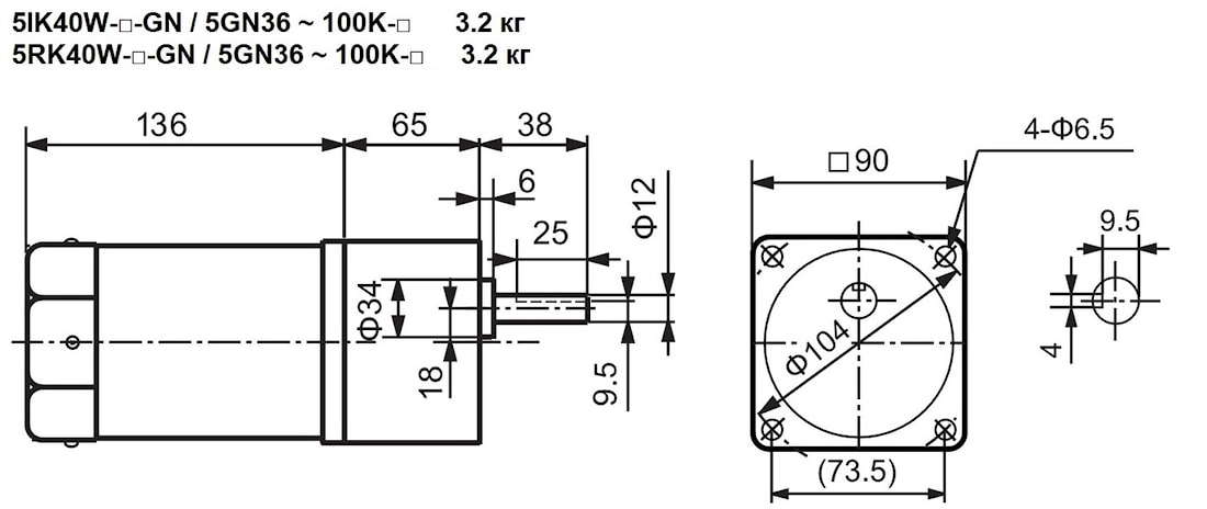
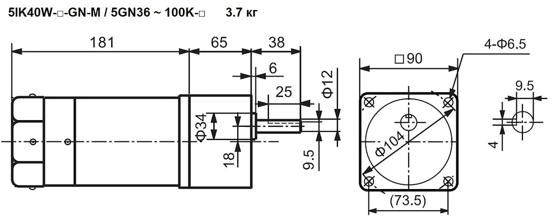
Мини мотор редуктор 5GN36 ... 100 (40 Ватт) - представляет собой миниатюрный компактный электропривод, оснащенный редукторным механизмом с передаточными числами: 36, 40, 50, 60, 75, 90, 100. При начальной мощности электродвигателя в 40 Вт, получаемые крутящие моменты на выходном валу достигают 9.3 Нм ... 20 Нм. Для равномерной, однонаправленной эксплуатации используются двигатели серии 5IK40W, для прерывистых, реверсных характеров работ предлагаются двигатели серии 5RK40W.Питание: однофазное 110 В и 220 В; трехфазное 220 В и 380 В.
Токи: 1Ф: 0,72 А (110 В), 0,43 А (220 В) 3Ф: 0,38 А (220 В), 0,22 А (380 В).
Электрические параметры предлагаемых двигателей смотрите по ссылке.
Гарантия - 12 месяцев
Схема подключения
Опции
Условное обозначение
| Модель мотор-редуктора | Выходные обороты | Передаточное число | Крутящий момент | Масса | |||
| мотор | редуктор | вал | n2 (об/мин) | i | M2 (Нм) | m (кг) | |
| 5IK40W-GN 5RK40W-GN 5IK40W-GN-M | 5GN36K | 12, 15 | - | 41 | 36 | 9.3 | Стандарт – 3.2 С тормозом – 3.7 |
| 5N40K | 12, 15 | - | 37 | 40 | 9.5 | ||
| 5GN50K | 12, 15 | - | 30 | 50 | 11 | ||
| 5GN60K | 12, 15 | - | 25 | 60 | 14 | ||
| 5GN75K | 12, 15 | - | 20 | 75 | 18 | ||
| 5GN90K | 12, 15 | - | 16 | 90 | 20 | ||
| 5GN100K | 12, 15 | - | 15 | 100 | 20 | ||
| Стандартная модель |
|
| Модель с электромагнитным тормозом |
|
Если вы хотите купить мини мотор редуктор 5GN36 ... 100 (40 Ватт) , вы можете:
Позвонить:
Российская Федерация
+7 (495) 369-04-89
+7 (910) 726-725-4 (МТС) Смоленск
info@tech-privod.com
Республика Беларусь
+375 17 272-04-08 (т/ф) Минск
+375 29 61-787-61 (A1) Минск
+7 (495) 369-04-89
+7 (910) 726-725-4 (МТС) Смоленск
info@tech-privod.com
Республика Беларусь
+375 17 272-04-08 (т/ф) Минск
+375 29 61-787-61 (A1) Минск


