Мини мотор редуктор 5GN3 ... 10 (40 Ватт) Номинальная мощность - 0,04 кВт Выходные обороты: 150 об/мин ... 500 об/мин
Номинальная мощность - 0,04 кВт
Выходные обороты: 150 об/мин ... 500 об/мин
Мотор-редуктор 5GN3 ... 10 - небольшой эргономичный привод, предназначенный для преобразования входных оборотов электродвигателя мощностью 0,04 кВт, в крутящий момент на выходном валу 0.77 Nm ... 2.5 Nm c частотой вращения выходного вала до 150 об/мин ... 500 об/мин. Электрические характеристики:
Подводимое напряжение: три фазы - 220 В и 380 В, одна фаза - 110 В и 220 В.
В однофазном исполнении присутствует конденсатор 2,5 мкФ (220 В) и 10 мкФ (110 В).
Температурные пределы -10С - +40С.
Гарантия от производителя - 12 месяцев.
Схема подключения
Опции
Условное обозначение
| Модель мотор-редуктора | Выходные обороты | Передаточное число | Крутящий момент | Масса | |||
| Мотор | редуктор | вал | n2 (об/мин) | i | M2 (Нм) | m (кг) | |
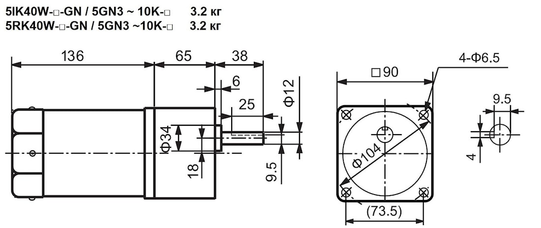
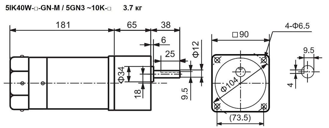
| 5IK40W-GN 5RK40W-GN 5IK40W-GN-M | 5GN3K | 12, 15 | - | 500 | 3.0 | 0.77 | Стандарт – 3.2 С тормозом – 3.7 |
| 5N3.6K | 12, 15 | - | 416 | 3.6 | 0.92 | ||
| 5GN5K | 12, 15 | - | 300 | 5.0 | 1.3 | ||
| 5GN6K | 12, 15 | - | 250 | 6.0 | 1.5 | ||
| 5GN7.5K | 12, 15 | - | 200 | 7.5 | 1.9 | ||
| 5GN9K | 12, 15 | - | 166 | 9.0 | 2.3 | ||
| 5GN10K | 12, 15 | - | 150 | 10 | 2.5 | ||
| Стандартная модель |
|
| Модель с электромагнитным тормозом |
|
Если вы хотите купить мини мотор редуктор 5GN3 ... 10 (40 Ватт) , вы можете:
Позвонить:
Российская Федерация
+7 (495) 369-04-89
+7 (910) 726-725-4 (МТС) Смоленск
info@tech-privod.com
Республика Беларусь
+375 17 272-04-08 (т/ф) Минск
+375 29 61-787-61 (A1) Минск
+7 (495) 369-04-89
+7 (910) 726-725-4 (МТС) Смоленск
info@tech-privod.com
Республика Беларусь
+375 17 272-04-08 (т/ф) Минск
+375 29 61-787-61 (A1) Минск


