Конические редукторы KR773 30 об/мин... 130 об/мин
30 об/мин... 130 об/мин
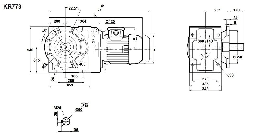
Конические редукторы KR773 предназначены для получения крутящего момента 1800Nm - 8800Nm, при эксплуатации совместно с трехфазным электродвигателем мощностью 30KW переменного тока, и оборотами выходного вала в диапазоне: 31 об/мин ~ 189 об/мин.Прочный чугунный корпус, износостойкий конический редукторный механизм, в целом, эффективная конструкция - очевидные плюсы привода.
Гарантия от производителя - 24 месяца.
Условное обозначение
Каталог K-series
| Обороты на выходном валу | Крутящий момент на выходном валу | Передаточное число | Радиальные нагрузки на выходной вал | Сервис фактор | Тип редуктора | Масса |
| n2 (об/мин-1) | M2 (Нм) | i | Fr (Н) | fs | m (кг) | |
| 27 | 9929 | 51,13 | 41528 | 0,8 | KR773-200L/4 | 570 |
| 31 | 8820 | 45,36 | 49772 | 0,9 | ||
| 35 | 7873 | 40,44 | 54591 | 1,0 | ||
| 36 | 7585 | 36,00 | 54691 | 1,1 | ||
| 41 | 6580 | 33,78 | 54846 | 1,2 | ||
| 48 | 5734 | 29,40 | 54676 | 1,4 | ||
| 53 | 5182 | 26,52 | 54378 | 1,5 | ||
| 60 | 4603 | 23,52 | 53876 | 1,7 | ||
| 67 | 4110 | 20,97 | 53261 | 1,9 | ||
| 69 | 3960 | 20,23 | 53043 | 2,0 | ||
| 80 | 3435 | 17,52 | 52082 | 2,2 | ||
| 92 | 2994 | 15,25 | 51029 | 2,4 | ||
| 109 | 2525 | 12,89 | 48032 | 1,8 | ||
| 122 | 2243 | 11,44 | 47150 | 2,0 | ||
| 137 | 2003 | 10,20 | 46248 | 2,1 | ||
| 142 | 1929 | 9,83 | 45952 | 2,2 | ||
| 164 | 1674 | 8,52 | 44746 | 2,4 | ||
| 189 | 1459 | 7,41 | 43534 | 2,7 |

Вернуться к выбору мощностей
Мотор-редуктор KR673 - полный аналог мотор-редуктора B143 (от Motovario (Италия)) , МВН140 (Siti (Италия) мотор-редукторов SK9052.1 , SK9052.1 VF , SK9052.1 AZ (Nord (Германия), можно рассматривать как технический аналог мотор-редукторов марок ТС180В , TF180В (марки от Tramec (Италия)) VF210 , A703 (производства Bonfiglioli (Италия)).
Редуктор КТ673 можно рассматривать как аналогичный редуктору КЦ2-500 российского производства , редуктора ТА180В, ТС180В , ТF180В , производимого Tramec (Италия), аналог редуктора RT180A и RТ180A-FF производства Tos-Znojmo (Чехия), технический аналог редукторам ВН140, МВН140, произведенных под маркой Siti (Италия) и технический аналог редукторам КЦ1-300 , КЦ2-160Н производителя "Зарем"
Если вы хотите купить конические редукторы KR773 , вы можете:
Позвонить:
Российская Федерация
+7 (495) 369-04-89
+7 (910) 726-725-4 (МТС) Смоленск
info@tech-privod.com
Республика Беларусь
+375 17 272-04-08 (т/ф) Минск
+375 29 61-787-61 (A1) Минск
+7 (495) 369-04-89
+7 (910) 726-725-4 (МТС) Смоленск
info@tech-privod.com
Республика Беларусь
+375 17 272-04-08 (т/ф) Минск
+375 29 61-787-61 (A1) Минск
