Конические редукторы KR673 60 об/мин... 200 об/мин
60 об/мин... 200 об/мин

57 об/мин ~ 170 об/мин. Передаточные числа: i=8.3, i=9.5, i=10.8, i=12.5, i=14.5, i=16.5, i=18.7, i=21.3, i=24.3.
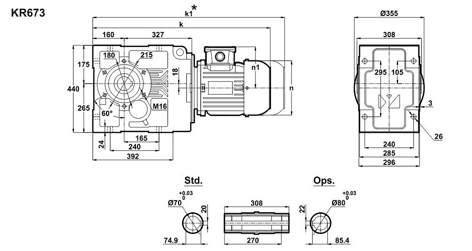
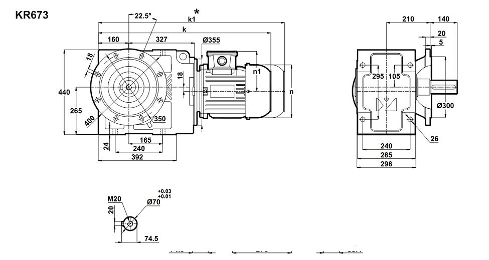
Расчетные допустимые радиальные нагрузки на выходные валы привода 23 500N - 28 500N.
Диаметр выходного вала в стандартном исполнении составляет d=70, в опциона льном исполнении d=80.
Выходной крепежный фланец: в стандартном исполнении 400/350/300.
Гарантия от производителя - 24 месяца.
Условное обозначение
Каталог K-series
Обороты на выходном валу | Крутящий момент на выходном валу | Передаточное число | Радиальные нагрузки на выходной вал | Сервис фактор | Тип редуктора | Масса |
n2 (об/мин-1) | M2 (Нм) | i | Fr (Н) | fs | m (кг) | |
57 | 4762 | 24,38 | 23534 | 0,9 | KR673-200L/4 | 429 |
66 | 4169 | 21,32 | 29773 | 1,0 | ||
75 | 3670 | 18,74 | 30196 | 1,2 | ||
85 | 3244 | 16,54 | 30412 | 1,3 | ||
97 | 2829 | 14,49 | 29673 | 1,0 | ||
112 | 2437 | 12,46 | 29654 | 1,1 | ||
130 | 2118 | 10,81 | 29470 | 1,3 | ||
148 | 1855 | 9,45 | 29174 | 1,4 | ||
169 | 1633 | 8,31 | 28799 | 1,5 |


Вернуться к выбору мощностей
Мотор-редуктор KR673 - полный аналог мотор-редуктора B143 (от Motovario (Италия)) , МВН140 (Siti (Италия) мотор-редукторов SK9052.1 , SK9052.1 VF , SK9052.1 AZ (Nord (Германия), можно рассматривать как технический аналог мотор-редукторов марок ТС180В , TF180В (марки от Tramec (Италия)) VF210 , A703 (производства Bonfiglioli (Италия)).
Редуктор КТ673 можно рассматривать как аналогичный редуктору КЦ2-500 российского производства , редуктора ТА180В, ТС180В , ТF180В , производимого Tramec (Италия), аналог редуктора RT180A и RТ180A-FF производства Tos-Znojmo (Чехия), технический аналог редукторам ВН140, МВН140, произведенных под маркой Siti (Италия) и технический аналог редукторам КЦ1-300 , КЦ2-160Н производителя "Зарем"
Если вы хотите купить конические редукторы KR673 , вы можете:
Позвонить:
Российская Федерация
+7 (495) 369-04-89
+7 (910) 726-725-4 (МТС) Смоленск
info@tech-privod.com
Республика Беларусь
+375 17 272-04-08 (т/ф) Минск
+375 29 61-787-61 (A1) Минск
+7 (495) 369-04-89
+7 (910) 726-725-4 (МТС) Смоленск
info@tech-privod.com
Республика Беларусь
+375 17 272-04-08 (т/ф) Минск
+375 29 61-787-61 (A1) Минск