Конические редукторы KR873 15 об/мин... 60 об/мин
15 об/мин... 60 об/мин
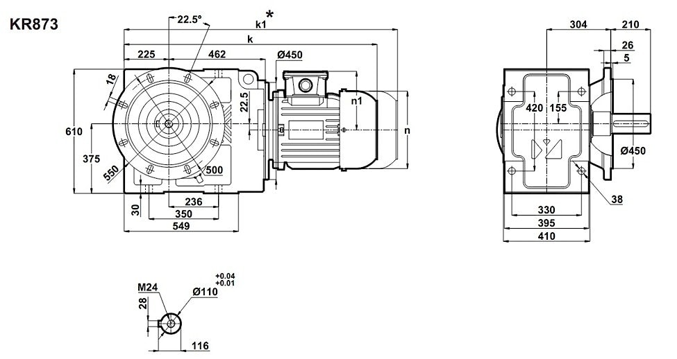
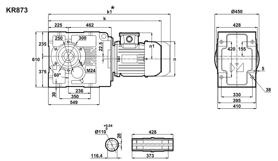
Спецификация конического мотор-редуктора KR873:Подводимая мощность - 30,0кВт
Передаточные числа: u=24.3, u= 29.9, u= 34.3, u= 38.0 , u= 43,2, u= 49.7, u= 55.5, u= 62.4, u= 70.7, u= 81.0
Вращение выходного вала: 15 об/мин ~ 60 об/мин
Момент: 4700Нм - 15700Нм
Допустимые радиальные нагрузки: 95000Н
Вес: 840 кг.
Гарантия: 24 месяца.
Условное обозначение
Каталог K-series
| Обороты на выходном валу | Крутящий момент на выходном валу | Передаточное число | Радиальные нагрузки на выходной вал | Сервис фактор | Тип редуктора | Масса |
| n2 (об/мин-1) | M2 (Нм) | i | Fr (Н) | fs | m (кг) | |
| 17 | 15704 | 81,06 | 75080 | 1,0 | KR873-200L/4 | 837 |
| 20 | 13730 | 70,76 | 85077 | 1,1 | ||
| 22 | 12130 | 62,42 | 91916 | 1,2 | ||
| 25 | 10805 | 55,53 | 96855 | 1,4 | ||
| 28 | 9690 | 49,75 | 100818 | 1,5 | ||
| 32 | 8421 | 43,22 | 105597 | 1,8 | ||
| 37 | 7414 | 38,00 | 105651 | 1,9 | ||
| 41 | 6698 | 34,28 | 103805 | 2,1 | ||
| 47 | 5844 | 29,88 | 101215 | 2,3 | ||
| 58 | 4755 | 24,28 | 97124 | 3,0 |
Вернуться к выбору мощностей
Мотор-редуктор KR873 - полный аналог мотор-редукторов SK9082.1 , SK9082.1 VF , SK9082.1 AZ (Nord (Германия), можно рассматривать как технический аналог мотор-редукторов марок B163 (от Motovario (Италия)) , МВН180 (Siti (Италия) A 904 (производства Bonfiglioli (Италия)).
Редуктор КТ873 можно рассматривать как аналогичный (приближенным по крепежным размерам) редукторам ВН180, ВН200 (произведенных под маркой Siti (Италия)) и технический аналог редукторам КЦ1-500 , КЦ2-250Н (производства "Зарем").
Если вы хотите купить конические редукторы KR873 , вы можете:
Позвонить:
Российская Федерация
+7 (495) 369-04-89
+7 (910) 726-725-4 (МТС) Смоленск
info@tech-privod.com
Республика Беларусь
+375 17 272-04-08 (т/ф) Минск
+375 29 61-787-61 (A1) Минск
+7 (495) 369-04-89
+7 (910) 726-725-4 (МТС) Смоленск
info@tech-privod.com
Республика Беларусь
+375 17 272-04-08 (т/ф) Минск
+375 29 61-787-61 (A1) Минск
