Угловой низколюфтовой (прецизионный) редуктор WGN
Угловые низколюфтовой (прецизионный) редуктор WGN

Угловой низколюфтовой редуктор WGN c полым валом - многоцелевой, компактный и надежный механизм, с широкой областью применения во многих аспектах хозяйственной деятельности.
Люфт: <5 arcmin
Выходной крутящий момент – 200Nm
Высокая эффективность - до 96%
Передаточные числа: от 4: 1 до 10: 1
Низкий уровень шума - <66 дБ
ISO 9001
Входная скорость редуктора WGN
Критичный крутящий момент редуктора WGN
Максимальный крутящий момент редуктора WGN
Условные обозначения
Спецификация редуктора WGN
Крутящий момент
Размеры

Угловой низколюфтовой редуктор WGN c полым валом - многоцелевой, компактный и надежный механизм, с широкой областью применения во многих аспектах хозяйственной деятельности.
Люфт: <5 arcmin
Выходной крутящий момент – 200Nm
Высокая эффективность - до 96%
Передаточные числа: от 4: 1 до 10: 1
Низкий уровень шума - <66 дБ
ISO 9001
Входная скорость редуктора WGN
Критичный крутящий момент редуктора WGN
Максимальный крутящий момент редуктора WGN
Условные обозначения
Спецификация редуктора WGN
Крутящий момент
| Кол-во ступеней | Передаточное число | WGN070 | WGN090 | WGN115 | WGN142 | |
| Номинальный крутящий момент, T2N (Нм) | 1 | 4 | 45 | 70 | 140 | 320 |
| 5 | 42 | 70 | 140 | 280 | ||
| 8 | 27 | 50 | 90 | 180 | ||
| 10 | 22 | 40 | 75 | 160 | ||
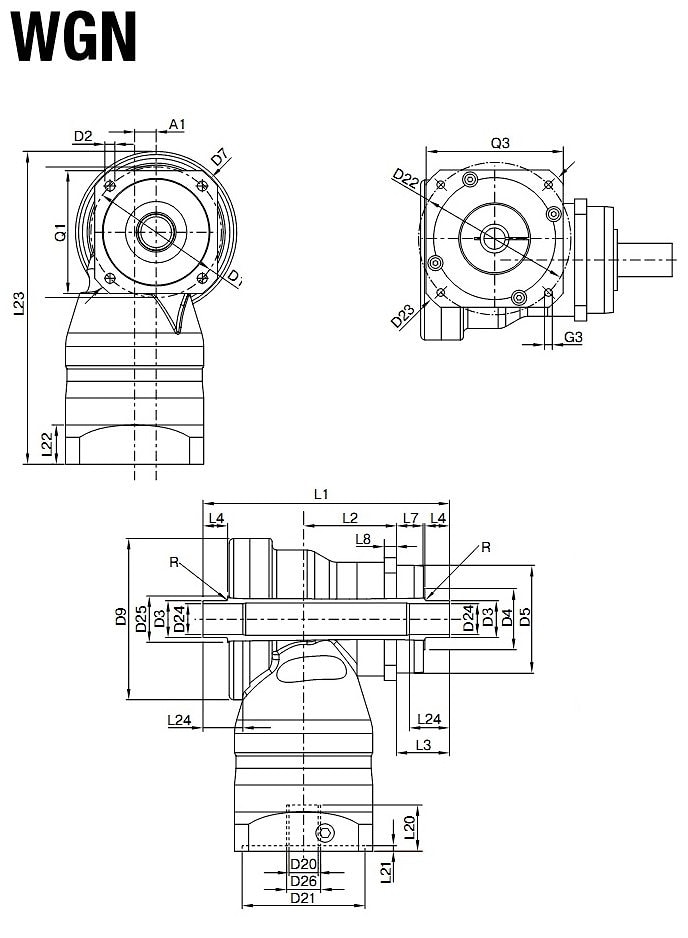
Размеры
| Размеры |
|
| WGN070 | WGN090 | WGN115 | WGN142 | |
| A1 | 10 | 14 | 20 | 26 |
| D1 | 68-75 | 85 | 120 | 165 |
| D24x | 5.5 | 6.5 | 9 | 11 |
| D3k6 | 18 | 24 | 36 | 50 |
| D4 | 24 | 34 | 45 | 70 |
| D5g7 | 60 | 70 | 90 | 130 |
| D7 | 92 | 100 | 140 | 185 |
| D9 | 86 | 105 | 120 | 170 |
| Q1 | 70 | 80 | 110 | 142 |
| L2 | 46.5 | 60.5 | 73.5 | 76 |
| L3 | 33 | 34.5 | 48 | 54 |
| L7 | 18 | 17.5 | 27 | 28 |
| L8 | 7 | 8 | 10 | 12 |
| R | 1.5 | 1.5 | 1.5 | 1.5 |
| Полый выходной вал на одну сторону | ||||
| L1 | 122.5 | 143.5 | 179 | 217 |
| L4 | 14 | 16 | 20 | 25 |
| D24H7 | 15 | 20 | 30 | 40 |
| L24 | 20 | 25 | 30 | 35 |
| Полый вал на две стороны | ||||
| L1 | 137.5 | 160.5 | 200 | 243 |
| L4 | 14 | 16 | 20 | 25 |
| D24H6 | 15 | 20 | 30 | 40 |
| L24 | 20 | 25 | 30 | 35 |
| D25 | 25 | 30 | 42 | 58 |
Если вы хотите купить угловой низколюфтовой (прецизионный) редуктор WGN , вы можете:
Позвонить:
Российская Федерация
+7 (495) 369-04-89
+7 (910) 726-725-4 (МТС) Смоленск
info@tech-privod.com
Республика Беларусь
+375 17 272-04-08 (т/ф) Минск
+375 29 61-787-61 (A1) Минск
+7 (495) 369-04-89
+7 (910) 726-725-4 (МТС) Смоленск
info@tech-privod.com
Республика Беларусь
+375 17 272-04-08 (т/ф) Минск
+375 29 61-787-61 (A1) Минск

