Трехступенчатый редуктор - HT0723 i = 22 ... 82
i = 22 ... 82
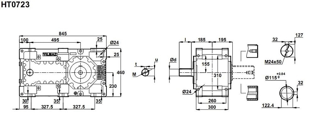
Редуктор с номинальным передаваемым моментом 19000 Нм, выпускается и предлагается индустриальная цилиндрическая зубчатая трансмиссия HT 0723 .Передаточные числа на выбор: 1/22,6 ; 1/25 ; 1/28,7 ; 1/33 ; 1/38 ; 1/41 ;1/49 ; 1/57 ; 1/62 ; 1/70 ; 1/75 ; 1/81 .
Подводимая мощность: 28 кВт - 127 кВт при входной скорости - 1500 об/мин ; 18 кВт - 82 кВт при входной скорости - 1000 об/мин ; 15 кВт - 69 кВт при входной скорости - 750 об/мин ; 9,4 кВт - 127 кВт при входной скорости - 500 об/мин ; 6,4 кВт - 28 кВт при входной скорости - 300 об/мин.
Различные варианты охлаждения: вентилятор, змеевик , теплообменник с дополнительным насосом, теплообменник со встроенным насосом, воздушное охлаждение.
| Номинальный крутящий момент | Передаточное число | Выходные обороты n2 | Номинальная мощность при сервис-факторе fs=1 | Тип | Допустимые радиальные нагрузки на | Вес | |
| n1=1400 | выходящий вал | входящий вал | |||||
| Ma max [Nm] | i | об/мин | kW | kN | kHN | кг | |
| 19000 | 22,59 | 62 | 127 | НТ0723 | 88 | 4,2 | 550 |
| 19000 | 25,09 | 56 | 115 | 88 | 4,9 | ||
| 19000 | 28,70 | 49 | 100 | 88 | 6,1 | ||
| 19000 | 33,04 | 42 | 87 | 88 | 6,4 | ||
| 19000 | 38,34 | 37 | 75 | 88 | 6,7 | ||
| 19000 | 41,46 | 34 | 70 | 88 | 6,9 | ||
| 19000 | 49,76 | 28 | 58 | 88 | 8,0 | ||
| 19000 | 57,82 | 24 | 50 | 88 | 8,2 | ||
| 18400 | 62,65 | 22 | 45 | 88 | 8,3 | ||
| 16100 | 70,49 | 20 | 35 | 88 | 4,1 | ||
| 15500 | 75,26 | 19 | 31 | 88 | 5,4 | ||
| 14600 | 81,25 | 17 | 28 | 88 | 6,1 | ||
Редуктор HT 07 23 является техническим аналогом редукторов РМ-750 , ВКУ-950 , ВКУ-965М , ВКУ-965М1 , РМ 750 , ВКУ 950 , ВКУ965 М , ВКУ 965 М1 / производства России и УкраиныЕсли вы хотите купить трехступенчатый редуктор - HT0723 , вы можете:
Позвонить:
Российская Федерация
+7 (495) 369-04-89
+7 (910) 726-725-4 (МТС) Смоленск
info@tech-privod.com
Республика Беларусь
+375 17 272-04-08 (т/ф) Минск
+375 29 61-787-61 (A1) Минск
+7 (495) 369-04-89
+7 (910) 726-725-4 (МТС) Смоленск
info@tech-privod.com
Республика Беларусь
+375 17 272-04-08 (т/ф) Минск
+375 29 61-787-61 (A1) Минск
