Соосный цилиндрический редуктор MR872, MR873, NR872, NR873 40 об/мин … 320 об/мин
40 об/мин … 320 об/мин
Двухступенчатый и трехступенчатый соосный цилиндрический механический привод в составе с электрическим мотором мощностью в 55кВт выпускается как мотор-редуктор MR873-250M/4, NR873-250M/4, MR872-250M/4, NR872-250M/4.Передаточные числа i=5.0 - i=35.
Вращающий момент 2000Nm - 12000Nm.
Радиальные нагрузки до 68kN.
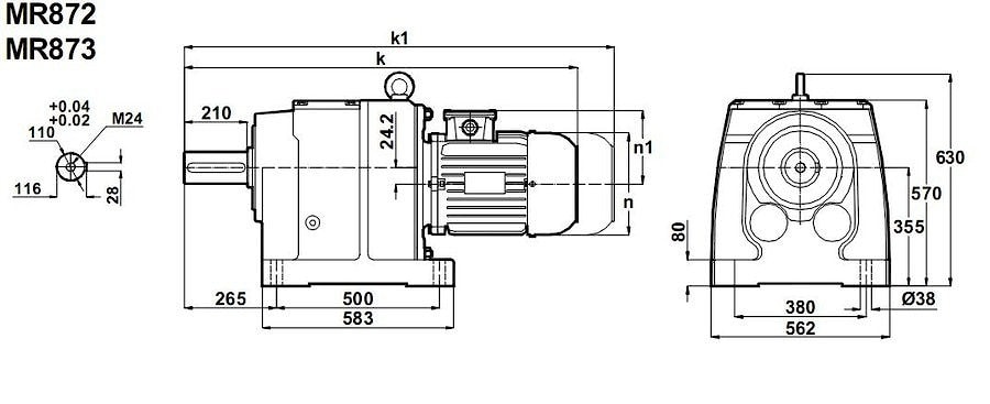
Прочный, чугунный, монолитный корпус.
Имеется возможность на базе представленного агрегата максимально адаптировать мотор-редуктор к Вашим габаритным посадочным размерам.
Условное обозначение
Каталог M-series
| Обороты на выходном валу | Крутящий момент на выходном валу | Передаточное число | Радиальные нагрузки на выходной вал | Сервис фактор | Тип редуктора | Масса |
| n2 (об/мин-1) | M2 (Нм) | i | Fr (Н) | fs | m (кг) | |
| 40 | 12437 | 35,27 | 68159 | 1,0 | MR873-250M/4 NR873-250M/4 | 865 870 |
| 45 | 10935 | 30,01 | 68408 | 1,2 | ||
| 50 | 9867 | 27,98 | 68352 | 1,3 | ||
| 57 | 8598 | 24,38 | 67975 | 1,5 | ||
| 68 | 7303 | 20,71 | 67153 | 1,8 | ||
| 77 | 6421 | 18,21 | 66271 | 2,0 | ||
| 85 | 5793 | 16,43 | 65445 | 2,2 | ||
| 98 | 5049 | 14,32 | 64199 | 2,5 | ||
| 105 | 4690 | 13,3 | 65445 | 2,7 | ||
| 121 | 4087 | 11,59 | 61414 | 2,5 | ||
| 139 | 3633 | 10,09 | 61880 | 2,6 | MR872-250M/4 NR872-250M/4 | 860 865 |
| 158 | 3195 | 8,87 | 60232 | 2,8 | ||
| 181 | 2778 | 7,71 | 57366 | 3,1 | ||
| 206 | 2443 | 6,78 | 55813 | 3,4 | ||
| 229 | 2204 | 6,12 | 54560 | 3,7 | ||
| 263 | 1921 | 5,33 | 52876 | 4,0 | ||
| 283 | 1784 | 4,95 | 50801 | 4,1 | ||
| 324 | 1555 | 4,32 | 49273 | 4,5 |


Вернуться к выбору мощностей
Редуктор MR872 и MR873 является аналогом мотор-редукторов MNHL100/2 и MNHL100/3 , MNHL 100 2 и MNHL 100 3 , MNHL100 2 и MHL 100 3(производитель Siti (Италия).
И техническим аналогом мотор-редукторов SK92 , SK93 , SK 92 , SK 93 (производства Nord (Германия) , C100 2P , C100 3P , C 100 2 P , C 100 3P , C 1002 P , C 100 3 P (производства Bonfiglioli (Италия) мотор-редукторов МР3-500 Щ , МР3 500 Щ , МР3-500 Щ , МР 3-500 Щ , МР 3 500-Щ , МР 3-500 Щ , МР2-500 Щ , МР2 500 Щ , МР2-500 Щ , МР 2-500 Щ , МР 2 500-Щ , МР 2-500 Щ (производства Тамбовполимермаш).
Редуктор NR872 и NR873 является полным аналогом мотор-редукторов C100 2 F и C100 3 F , C 100 2 F и C 100 3 F , C 1002 F и C 100 3F (производства Bonfiglioli Италия).
И техническим аналогом мотор редукторов SK92F , SK93F , SK 92F , SK 93F , SK 92 F , SK 93 F (произведенных Nord (Германия), мотор-редукторов MNHL100/2-F и MNHL100/3-F , MN HL100 2-F и MNHL 100/3-F , MNHL 100 2 F и MHL 100 3F (производства Siti (Италия) , мотор-редукторов МР3 500 Ф1В , МР 3 500 Ф2В , МР3 500-Ф1В , МР 3-500 Ф 2В , М Р 3 500 Ф1 В , МР3 500Ф1В , МР 3-500 Ф2В , МР 3 500 Ф2В , МР3-500 Ф 1 В , МР2 500 Ф1В , МР 2 500 Ф 2В , МР2 500-Ф1В , МР 2-500 Ф2В , М Р 2 500 Ф1В , МР2 500Ф1 В , МР 2-500 Ф2В , МР 2 500 Ф1В , МР 2-500 Ф2В (производства Тамбовполимермаш).
Если вы хотите купить соосный цилиндрический редуктор MR872, MR873, NR872, NR873 , вы можете:
Позвонить:
Российская Федерация
+7 (495) 369-04-89
+7 (910) 726-725-4 (МТС) Смоленск
info@tech-privod.com
Республика Беларусь
+375 17 272-04-08 (т/ф) Минск
+375 29 61-787-61 (A1) Минск
+7 (495) 369-04-89
+7 (910) 726-725-4 (МТС) Смоленск
info@tech-privod.com
Республика Беларусь
+375 17 272-04-08 (т/ф) Минск
+375 29 61-787-61 (A1) Минск
