Цилиндрический редуктор DR972 и DR973 20 об/мин ... 90 об/мин
20 об/мин ... 90 об/мин
Мощнейшая двух- и трех- ступенчатая трансмиссионная машина, предназначенная для передачи высоких уровней крутящего момента в области - 5000 Nm - 18000 Nm.Подводимая мощность: эквивалентная 45 Квт.
Для разнопрофильного использования подключают асинхронный мотор 45*3000 , 45* 1500 , 45*1000 , 450*750 в 50-ти герцовых сетях.
Цилиндрический мотор-редуктор с параллельными осями: DR972-225M/4 и DR973-225M/4.
Передаточные значения можно выбрать: от i=16 до i=60.
Гарантия: 24 месяца.
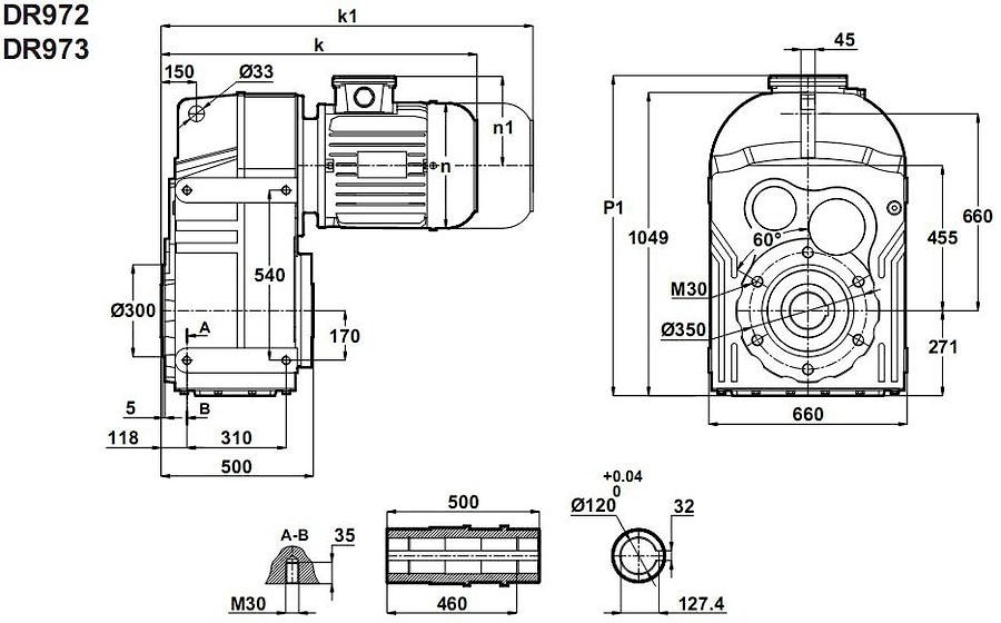
Условное обозначение
Каталог D-series
| Обороты на выходном валу | Крутящий момент на выходном валу | Передаточное число | Радиальные нагрузки на выходной вал | Сервис фактор | Тип редуктора | Масса |
| n2 (об/мин-1) | M2 (Нм) | i | Fr (Н) | fs | m (кг) | |
| 22 | 18538 | 63,36 | 139575 | 1,0 | DR973-225M/4 | 959 |
| 25 | 16466 | 56,21 | 137156 | 1,1 | ||
| 28 | 14699 | 50,12 | 134636 | 1,2 | ||
| 32 | 12738 | 43,38 | 131241 | 1,4 | ||
| 37 | 11245 | 38,24 | 128123 | 1,6 | ||
| 41 | 9989 | 33,93 | 125065 | 1,8 | ||
| 54 | 7632 | 25,92 | 116586 | 2,4 | ||
| 61 | 6738 | 22,85 | 113401 | 2,6 | ||
| 69 | 5985 | 20,27 | 110353 | 2,8 | ||
| 84 | 4964 | 16,64 | 106210 | 3,6 | DR972-225M/4 | 940 |

Вернуться к выбору мощностей
Мотор редуктор DR972 и DR973 можно использовать как технический аналог к мотор редуктору SK9282 и SK9382 / выпускаемых NORD , Германия .
Если вы хотите купить цилиндрический редуктор DR972 и DR973 , вы можете:
Позвонить:
Российская Федерация
+7 (495) 369-04-89
+7 (910) 726-725-4 (МТС) Смоленск
info@tech-privod.com
Республика Беларусь
+375 17 272-04-08 (т/ф) Минск
+375 29 61-787-61 (A1) Минск
+7 (495) 369-04-89
+7 (910) 726-725-4 (МТС) Смоленск
info@tech-privod.com
Республика Беларусь
+375 17 272-04-08 (т/ф) Минск
+375 29 61-787-61 (A1) Минск
