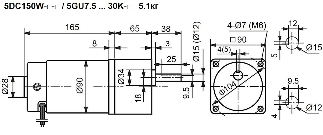
DC мотор-редуктор 5DC150W / 5GU7.5 … 30K Номинальная мощность – 0.15 кВт Выходные обороты: 100 об/мин ... 240 об/мин
Мотор-редуктор 5DC150W-□-□ / 5GU7.5 … 30K-□ (150 Ватт) – передаточный узел, предназначенный для передачи крутящего момента до 10Nm в рамках процессов, основанных на работес приводами постоянного тока: 24 В, 90 В, 110 В , 220 В.
Стандартная степень влаго- пыле- защищенности IP44. Возможны варианты.
Гарантийные обязательства 1 год.
Контроллер регулирования скорости
| Обороты на выходном валу | Передаточное число | Крутящий момент на выходном валу | Мотор-редуктор | Диаметр вала | Вес |
| n2 (об/мин-1) | i | M2 (Нм) | m (кг) | ||
| 100 | 18 | 10 | 5DC150W-□-1.8s / 5GU18K-□ | 15 (12) | 5.1 |
| 107 | 30 | 13.4 | 5DC150W-□-3.2s / 5GU30K-□ | 15 (12) | 5.1 |
| 120 | 15 | 8.4 | 5DC150W-□-1.8s / 5GU15K-□ | 15 (12) | 5.1 |
| 128 | 25 | 11.2 | 5DC150W-□-3.2s / 5GU25K-□ | 15 (12) | 5.1 |
| 144 | 12.5 | 7.0 | 5DC150W-□-1.8s / 5GU12.5K-□ | 15 (12) | 5.1 |
| 160 | 20 | 9.0 | 5DC150W-□-3.2s / 5GU20K-□ | 15 (12) | 5.1 |
| 178 | 18 | 8.1 | 5DC150W-□-3.2s / 5GU18K-□ | 15 (12) | 5.1 |
| 180 | 10 | 5.6 | 5DC150W-□-1.8s / 5GU10K-□ | 15 (12) | 5.1 |
| 200 | 9 | 5.0 | 5DC150W-□-1.8s / 5GU9K-□ | 15 (12) | 5.1 |
| 213 | 15 | 6.7 | 5DC150W-□-3.2s / 5GU15K-□ | 15 (12) | 5.1 |
| 240 | 7.5 | 4.2 | 5DC150W-□-1.8s / 5GU7.5K-□ | 15 (12) | 5.1 |

Условное обозначение
| DC Мотор-редуктор | 5DC | 150W | 24V | 3.2s | / | 5GU | 30 | K | C15 |
|
| |||||||||
![]() | вых фланец □90х90 (см.также) | Мощность | Напряжение | Выходные обороты мотора |
| Марка редуктора | Передаточное число | Индекс используемого подшипника | Диаметр выходного вала |
| варианты: | - | - | 24V – 24 В 90V – 90 В 110V – 110 B 220V – 220 В | 1.8s – 1800 об/мин 3.2s – 3200 об/мин |
| - | 7.5 9 10 12.5 15 20 25 30 | 12мм 15мм | |
+7 (495) 369-04-89
+7 (910) 726-725-4 (МТС) Смоленск
info@tech-privod.com
Республика Беларусь
+375 17 272-04-08 (т/ф) Минск
+375 29 61-787-61 (A1) Минск

