DC мотор-редуктор 2DC10W / 2GN100 … 300K Номинальная мощность – 0.01 кВт Выходные обороты: 5 об/мин ... 18 об/мин
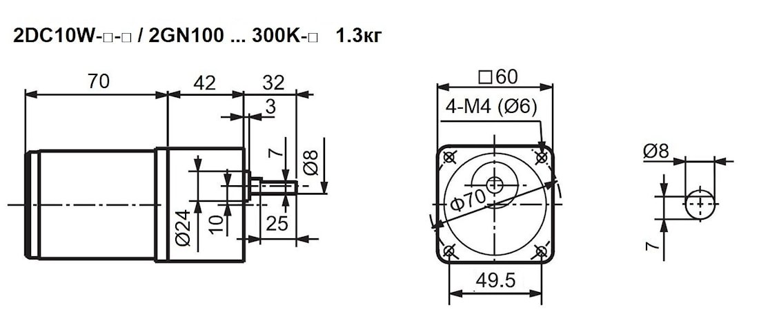
Мини DC мотор редуктор 2DC10W-□-□ / 2GN100 … 300K-□, номинальная мощность - 10 Ватт, допускаемое напряжение 12 В, 24 В, потребляемые токи 1.52 А (12 V), 0,7 A (24 V) (спецификация устанавливаемых моторов), доступные передаточные числа: 100, 120, 150, 180, 200, 250, 300.
Область применения мотор редукторов постоянного тока часто связана с теми сферами, где привод может легко контактировать с человеческими органами. Также это могут быть некие мобильные устройства, где источником тока выступают аккумуляторные батареи.
Температуры эксплуатации: -10С - +40С.
Влажность: до 85%.
Высота над уровнем моря до 4000 м.
Контроллер регулирования скорости
| Обороты на выходном валу | Передаточное число | Крутящий момент на выходном валу | Мотор-редуктор | Диаметр вала | Вес |
| n2 (об/мин-1) | i | M2 (Нм) | m (кг) | ||
| 6 | 300 | 11.1 | 2DC10W-□-1.8s / 2GN300K-C8 | 8 | 1.3 |
| 7,2 | 250 | 9.3 | 2DC10W-□-1.8s / 2GN250K-C8 | 8 | 1.3 |
| 9 | 200 | 7.4 | 2DC10W-□-1.8s / 2GN200K-C8 | 8 | 1.3 |
| 10 | 180 | 6.7 | 2DC10W-□-1.8s / 2GN180K-C8 | 8 | 1.3 |
| 11 | 300 | 6.3 | 2DC10W-□-3.2s / 2GN300K-C8 | 8 | 1.3 |
| 12 | 150 | 5.6 | 2DC10W-□-1.8s / 2GN150K-C8 | 8 | 1.3 |
| 13 | 250 | 5.2 | 2DC10W-□-3.2s / 2GN250K-C8 | 8 | 1.3 |
| 15 | 120 | 4.5 | 2DC10W-□-1.8s / 2GN120K-C8 | 8 | 1.3 |
| 16 | 200 | 4.2 | 2DC10W-□-3.2s / 2GN200K-C8 | 8 | 1.3 |
| 18 | 100 | 3.7 | 2DC10W-□-1.8s / 2GN100K-C8 | 8 | 1.3 |
| 18 | 180 | 3.8 | 2DC10W-□-3.2s / 2GN180K-C8 | 8 | 1.3 |

Условное обозначение
| DC Мотор-редуктор | 2DC | 10W | 12V | 1.8s | / | 2GN | 300 | K | C8 |
|
| |||||||||
|
| вых фланец □60х60 (см.также) | Мощность | Напряжение | Выходные обороты мотора |
| Марка редуктора | Передаточное число | Индекс используемого подшипника | Диаметр выходного вала |
| варианты: | - | - | 12V – 12 В 24V – 24 В | 1.8s – 1800 об/мин 3.2s – 3200 об/мин |
| - | 100 120 150 180 200 250 300 |
| 8мм |
+7 (495) 369-04-89
+7 (910) 726-725-4 (МТС) Смоленск
info@tech-privod.com
Республика Беларусь
+375 17 272-04-08 (т/ф) Минск
+375 29 61-787-61 (A1) Минск

