DC мотор-редуктор 2DC10W / 2GN3 … 6K Номинальная мощность - 0.01 кВт Выходные обороты: 530 об/мин ... 1060 об/мин
Мини мотор редуктор постоянного тока 2DC10W-□-□ / 2GN3 … 6K-□ - номинальной мощностью - 6 Ватт, номинальным напряжением 12 В, 24 В предлагается с выходными оборотами: 533об/мин, 600 об/мин, 640 об/мин, 890 об/мин, 1060 об/мин.
К данному приводу можно заказать дополнительный электронный прибор DC15А - регулирующий частоту вращения выходного вала. Применение мотор-редуктора широко распространено на мобильных установках, медицинских установках
Контроллер регулирования скорости
| Обороты на выходном валу | Передаточное число | Крутящий момент на выходном валу | Мотор-редуктор | Диаметр вала | Вес |
| n2 (об/мин-1) | i | M2 (Нм) | m (кг) | ||
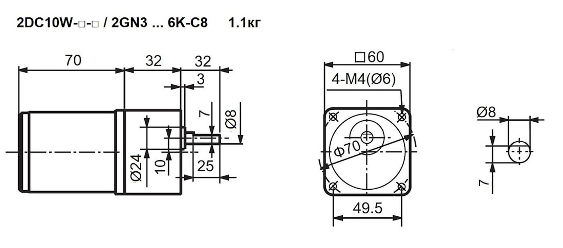
| 533 | 6 | 0.12 | 2DC10W-□-3.2s / 2GN6K-C8 | 8 (исп. лыской) | 1.1 |
| 600 | 3 | 0.11 | 2DC10W-□-1.8s / 2GN3K-C8 | 8 (исп. лыской) | 1.1 |
| 640 | 5 | 0.10 | 2DC10W-□-3.2s / 2GN5K-C8 | 8 (исп. лыской) | 1.1 |
| 890 | 3.6 | 0.08 | 2DC10W-□-3.2s / 2GN3.6K-C8 | 8 (исп. лыской) | 1.1 |
| 1060 | 3 | 0.06 | 2DC10W-□ -3.2s / 2GN3K-C8 | 8 (исп. лыской) | 1.1 |

Условное обозначение
| DC Мотор-редуктор | 2DC | 10W | 12V | 1.8s | / | 2GN | 3.6 | K | C8 |
|
| |||||||||
|
| вых фланец □60х60 (см также) | Мощность | Напряжение | Выходные обороты мотора |
| Марка редуктора | Передаточное число | Индекс используемого подшипника | Диаметр выходного вала |
| варианты | - | - | 12V – 12 В 24V – 24 В | 1.8s – 1800 об/мин 3.2s – 3200 об/мин |
| - | 3 3.6 5 6 |
| 8мм |
+7 (495) 369-04-89
+7 (910) 726-725-4 (МТС) Смоленск
info@tech-privod.com
Республика Беларусь
+375 17 272-04-08 (т/ф) Минск
+375 29 61-787-61 (A1) Минск

