DC планетарный мотор-редуктор 70.ПP216-F12, 70.ПР256-F12 и 70.ПP1296-F12 (50 Вт ~ 120 Вт) 2,5 об/мин ... 30 об/мин
2,5 об/мин ... 30 об/мин

70.ПP1296-F12 .
Получаемая частота выходных оборотов: 2,5 об/мин ~ 30 об/мин.
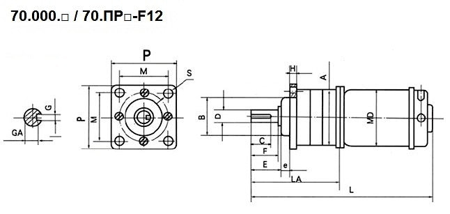
Исполнение привода - фланцевое.
Крутящий момент на конце выходного вала - 17 Nm ~ 103 Nm.
Диаметр выходного вала - d=12.
Общая длина привода: 213,5 мм, 235,5 мм и 245,5 мм.
Обороты на выходном валу | Крутящий момент на выходном валу | Передаточное число | Мощность двигателя | Обороты двигателя | Напряжение | Модель |
n2 (об/мин-1) | M2 (Нм) | i | Вт | n1 (об/мин-1) | В | |
30 | 17 | 216 | 85 | 6000 | 24 | 70.000.05 / 70.ПР216-F12 |
30 | 17 | 216 | 85 | 6000 | 27 | 70.000.06 / 70.ПР216-F12 |
30 | 17 | 216 | 85 | 6000 | 48 | 70.000.07 / 70.ПР216-F12 |
30 | 17 | 216 | 85 | 6000 | 110 | 70.000.08 / 70.ПР216-F12 |
30 | 24 | 216 | 120 | 6000 | 24 | 70.000.55 / 70.ПР216-F12 |
30 | 24 | 216 | 120 | 6000 | 27 | 70.000.56 / 70.ПР216-F12 |
30 | 24 | 216 | 120 | 6000 | 48 | 70.000.57 / 70.ПР216-F12 |
30 | 24 | 216 | 120 | 6000 | 90 | 70.000.61 / 70.ПР216-F12 |
30 | 24 | 216 | 120 | 6000 | 220 | 70.000.58 / 70.ПР216-F12 |
25 | 15.7 | 256 | 85 | 6000 | 24 | 70.000.05 / 70.ПР256-F12 |
25 | 15.7 | 256 | 85 | 6000 | 27 | 70.000.06 / 70.ПР256-F12 |
25 | 15.7 | 256 | 85 | 6000 | 48 | 70.000.07 / 70.ПР256-F12 |
25 | 15.7 | 256 | 85 | 6000 | 110 | 70.000.08 / 70.ПР256-F12 |
25 | 21.1 | 256 | 120 | 6000 | 24 | 70.000.55 / 70.ПР256-F12 |
25 | 21.1 | 256 | 120 | 6000 | 27 | 70.000.56 / 70.ПР256-F12 |
25 | 21.1 | 256 | 120 | 6000 | 48 | 70.000.57 / 70.ПР256-F12 |
25 | 21.1 | 256 | 120 | 6000 | 90 | 70.000.61 / 70.ПР256-F12 |
25 | 21.1 | 256 | 120 | 6000 | 220 | 70.000.58 / 70.ПР256-F12 |
15 | 18 | 216 | 50 | 3000 | 24 | 70.000.01 / 70.ПР216-F12 |
15 | 18 | 216 | 50 | 3000 | 27 | 70.000.02 / 70.ПР216-F12 |
15 | 18 | 216 | 50 | 3000 | 48 | 70.000.03 / 70.ПР216-F12 |
15 | 18 | 216 | 50 | 3000 | 110 | 70.000.04 / 70.ПР216-F12 |
15 | 18 | 216 | 70 | 3000 | 24 | 70.000.51 / 70.ПР216-F12 |
15 | 18 | 216 | 70 | 3000 | 27 | 70.000.52 / 70.ПР216-F12 |
15 | 18 | 216 | 70 | 3000 | 48 | 70.000.53 / 70.ПР216-F12 |
15 | 18 | 216 | 70 | 3000 | 220 | 70.000.54 / 70.ПР216-F12 |
12 | 20 | 256 | 50 | 3000 | 24 | 70.000.01 / 70.ПР256-F12 |
12 | 20 | 256 | 50 | 3000 | 27 | 70.000.02 / 70.ПР256-F12 |
12 | 20 | 256 | 50 | 3000 | 48 | 70.000.03 / 70.ПР256-F12 |
12 | 20 | 256 | 50 | 3000 | 110 | 70.000.04 / 70.ПР256-F12 |
12 | 28.4 | 256 | 70 | 3000 | 24 | 70.000.51 / 70.ПР256-F12 |
12 | 28.4 | 256 | 70 | 3000 | 27 | 70.000.52 / 70.ПР256-F12 |
12 | 28.4 | 256 | 70 | 3000 | 48 | 70.000.53 / 70.ПР256-F12 |
12 | 28.4 | 256 | 70 | 3000 | 220 | 70.000.54 / 70.ПР256-F12 |
5.0 | 71 | 1296 | 85 | 6000 | 24 | 70.000.05 / 70.ПР1296-F12 |
5.0 | 71 | 1296 | 85 | 6000 | 27 | 70.000.06 / 70.ПР1296-F12 |
5.0 | 71 | 1296 | 85 | 6000 | 48 | 70.000.07 / 70.ПР1296-F12 |
5.0 | 71 | 1296 | 85 | 6000 | 110 | 70.000.08 / 70.ПР1296-F12 |
5.0 | 96 | 1296 | 120 | 6000 | 24 | 70.000.55 / 70.ПР1296-F12 |
5.0 | 96 | 1296 | 120 | 6000 | 27 | 70.000.56 / 70.ПР1296-F12 |
5.0 | 96 | 1296 | 120 | 6000 | 48 | 70.000.57 / 70.ПР1296-F12 |
5.0 | 96 | 1296 | 120 | 6000 | 90 | 70.000.61 / 70.ПР1296-F12 |
5.0 | 96 | 1296 | 120 | 6000 | 220 | 70.000.58 / 70.ПР1296-F12 |
2.5 | 99 | 1296 | 50 | 3000 | 24 | 70.000.01 / 70.ПР1296-F12 |
2.5 | 99 | 1296 | 50 | 3000 | 27 | 70.000.02 / 70.ПР1296-F12 |
2.5 | 99 | 1296 | 50 | 3000 | 48 | 70.000.03 / 70.ПР1296-F12 |
2.5 | 99 | 1296 | 50 | 3000 | 110 | 70.000.04 / 70.ПР1296-F12 |
2.5 | 103 | 1296 | 70 | 3000 | 24 | 70.000.51 / 70.ПР1296-F12 |
2.5 | 103 | 1296 | 70 | 3000 | 27 | 70.000.52 / 70.ПР1296-F12 |
2.5 | 103 | 1296 | 70 | 3000 | 48 | 70.000.53 / 70.ПР1296-F12 |
2.5 | 103 | 1296 | 70 | 3000 | 220 | 70.000.54 / 70.ПР1296-F12 |

Модель | A | B | C | D | E | F | G | GA | e | M | S | LA | L | MD | H | P |
70.000.XXX / 70.ПP216-F12 | 62 | 44 | 16 | 12 | 22.5 | 20 | 4 | 9.5 | 10 | 60 | 5.5 | 110.5 | 213.5 | 70 | 11 | 72 |
70.000.XXX / 70.ПP256-F12 | 62 | 44 | 16 | 12 | 22.5 | 20 | 4 | 9.5 | 10 | 60 | 5.5 | 124.5 | 235.5 | 70 | 11 | 72 |
70.000.XXX / 70.ПP1296-F12 | 62 | 44 | 16 | 12 | 22.5 | 20 | 4 | 9.5 | 10 | 60 | 5.5 | 124.5 | 245.5 | 70 | 11 | 72 |
Если вы хотите купить DC планетарный мотор-редуктор 70.ПP216-F12, 70.ПР256-F12 и 70.ПP1296-F12 (50 Вт ~ 120 Вт) , вы можете:
Позвонить:
Российская Федерация
+7 (495) 369-04-89
+7 (910) 726-725-4 (МТС) Смоленск
info@tech-privod.com
Республика Беларусь
+375 17 272-04-08 (т/ф) Минск
+375 29 61-787-61 (A1) Минск
+7 (495) 369-04-89
+7 (910) 726-725-4 (МТС) Смоленск
info@tech-privod.com
Республика Беларусь
+375 17 272-04-08 (т/ф) Минск
+375 29 61-787-61 (A1) Минск