DC планетарный мотор-редуктор 70.ПP4-F12 и 70.ПP6-F12 (50 Вт ~ 120 Вт) 500 об/мин ... 1500 об/мин
500 об/мин ... 1500 об/мин

70.ПP4-F12 и 70.ПP6-F12 (50 Ватт ~ 120 Ватт) - представляют собой компактную зубчатую передачу с маломощным мотором. Так подводимая мощность, в зависимости от выбранного напряжения варьируется от 50 Ватт до 120 Ватт, редуктор предлагается с передаточным отношением i=4 и i=6, в результате получаемые выходные обороты от 500 об/мин до 1500 об/мин, с соответствующими крутящими моментами от 0,3 Нм до 0,8 Нм.
Гарантия - 12 месяцев.
Обороты на выходном валу | Крутящий момент на выходном валу | Передаточное число | Мощность двигателя | Обороты двигателя | Напряжение | Модель |
n2 (об/мин) | M2 (Нм) | i | Вт | n1 (об/мин-1) | В | |
1500 | 0.33 | 4 | 85 | 6000 | 24 | 70.000.05 / 70.ПР4-F12 |
1500 | 0.33 | 4 | 85 | 6000 | 27 | 70.000.06 / 70.ПР4-F12 |
1500 | 0.33 | 4 | 85 | 6000 | 48 | 70.000.07 / 70.ПР4-F12 |
1500 | 0.33 | 4 | 85 | 6000 | 110 | 70.000.08 / 70.ПР4-F12 |
1500 | 0.44 | 4 | 120 | 6000 | 24 | 70.000.55 / 70.ПР4-F12 |
1500 | 0.44 | 4 | 120 | 6000 | 27 | 70.000.56 / 70.ПР4-F12 |
1500 | 0.44 | 4 | 120 | 6000 | 48 | 70.000.57 / 70.ПР4-F12 |
1500 | 0.44 | 4 | 120 | 6000 | 90 | 70.000.61 / 70.ПР4-F12 |
1500 | 0.44 | 4 | 120 | 6000 | 220 | 70.000.58 / 70.ПР4-F12 |
1500 | 0.49 | 6 | 85 | 6000 | 24 | 70.000.05 / 70.ПР6-F12 |
1000 | 0.49 | 6 | 85 | 6000 | 27 | 70.000.06 / 70.ПР6-F12 |
1000 | 0.49 | 6 | 85 | 6000 | 48 | 70.000.07 / 70.ПР6-F12 |
1000 | 0.49 | 6 | 85 | 6000 | 110 | 70.000.08 / 70.ПР6-F12 |
1000 | 0.67 | 6 | 120 | 6000 | 24 | 70.000.55 / 70.ПР6-F12 |
1000 | 0.67 | 6 | 120 | 6000 | 27 | 70.000.56 / 70.ПР6-F12 |
1000 | 0.67 | 6 | 120 | 6000 | 48 | 70.000.57 / 70.ПР6-F12 |
1000 | 0.67 | 6 | 120 | 6000 | 90 | 70.000.61 / 70.ПР6-F12 |
1000 | 0.67 | 6 | 120 | 6000 | 220 | 70.000.58 / 70.ПР6-F12 |
750 | 0.38 | 4 | 50 | 3000 | 24 | 70.000.01 / 70.ПР4-F12 |
750 | 0.38 | 4 | 50 | 3000 | 27 | 70.000.02 / 70.ПР4-F12 |
750 | 0.38 | 4 | 50 | 3000 | 48 | 70.000.03 / 70.ПР4-F12 |
750 | 0.38 | 4 | 50 | 3000 | 110 | 70.000.04 / 70.ПР4-F12 |
750 | 0.53 | 4 | 70 | 3000 | 24 | 70.000.51 / 70.ПР4-F12 |
750 | 0.53 | 4 | 70 | 3000 | 27 | 70.000.52 / 70.ПР4-F12 |
750 | 0.53 | 4 | 70 | 3000 | 48 | 70.000.53 / 70.ПР4-F12 |
750 | 0.53 | 4 | 70 | 3000 | 220 | 70.000.54 / 70.ПР4-F12 |
500 | 0.57 | 6 | 50 | 3000 | 24 | 70.000.01 / 70.ПР6-F12 |
500 | 0.57 | 6 | 50 | 3000 | 27 | 70.000.02 / 70.ПР6-F12 |
500 | 0.57 | 6 | 50 | 3000 | 48 | 70.000.03 / 70.ПР6-F12 |
500 | 0.57 | 6 | 50 | 3000 | 110 | 70.000.04 / 70.ПР6-F12 |
500 | 0.8 | 6 | 70 | 3000 | 24 | 70.000.51 / 70.ПР6-F12 |
500 | 0.8 | 6 | 70 | 3000 | 27 | 70.000.52 / 70.ПР6-F12 |
500 | 0.8 | 6 | 70 | 3000 | 48 | 70.000.53 / 70.ПР6-F12 |
500 | 0.8 | 6 | 70 | 3000 | 220 | 70.000.54 / 70.ПР6-F12 |

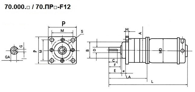
Модель | A | B | C | D | E | F | G | GA | e | M | S | LA | L | MD | H | P |
70.000.XXX / 70.ПP4-F12 | 62 | 44 | 16 | 12 | 22.5 | 20 | 4 | 9.5 | 10 | 60 | 5.5 | 82.5 | 193.5 | 70 | 11 | 72 |
70.000.XXX / 70.ПP6-F12 | 62 | 44 | 16 | 12 | 22.5 | 20 | 4 | 9.5 | 10 | 60 | 5.5 | 82.5 | 203.5 | 70 | 11 | 72 |
Если вы хотите купить DC планетарный мотор-редуктор 70.ПP4-F12 и 70.ПP6-F12 (50 Вт ~ 120 Вт) , вы можете:
Позвонить:
Российская Федерация
+7 (495) 369-04-89
+7 (910) 726-725-4 (МТС) Смоленск
info@tech-privod.com
Республика Беларусь
+375 17 272-04-08 (т/ф) Минск
+375 29 61-787-61 (A1) Минск
+7 (495) 369-04-89
+7 (910) 726-725-4 (МТС) Смоленск
info@tech-privod.com
Республика Беларусь
+375 17 272-04-08 (т/ф) Минск
+375 29 61-787-61 (A1) Минск