Мини мотор редуктор 7GH18 ... 75 (300 Ватт) Номинальная мощность - 0,3 кВт Выходные обороты: 20 об/мин ... 60 об/мин
Номинальная мощность - 0,3 кВт
Выходные обороты: 20 об/мин ... 60 об/мин
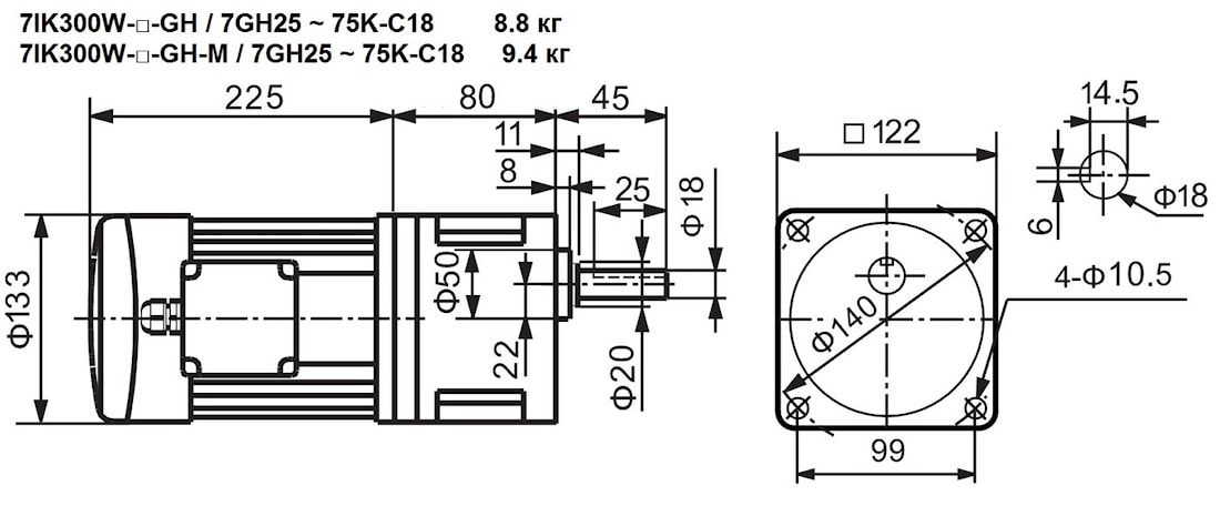
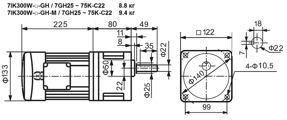
Мини мотор редуктор 7GH18 ... 75 (с номинальной мощностью - 300 Ватт) служит для широкого применения в различных хозяйственных сферах. Зубчатая передача используется для получения номинального крутящего момента на выходном валу 83 Нм, для подбора необходимой скорости оборотов на выходе, используют разные передаточные числа. В данной модели предусмотрены следующие: 25, 30, 36, 40, 50, 60, 75. Редуктор имеет вентилятор для своевременного охлаждения поверхностей редуктора. Заявленная рабочая температура привода до +65С. Параметры используемых асинхронных электродвигателей можно изучить здесь. | Модель мотор-редуктора | Выходные обороты | Передаточное число | Крутящий момент | Масса | |||
| мотор | редуктор | вал | n2 (об/мин) | i | M2 (Нм) | m (кг) | |
| 7IK300W-GH 7IK300W-GH-M | 7GH25K | 18, 22 | - | 60 | 25 | 38 | Стандарт – 8.8 С тормозом – 9.4 |
| 7GH30K | 18, 22 | - | 50 | 30 | 46 | ||
| 7GH36K | 18, 22 | - | 41 | 36 | 55 | ||
| 7GH40K | 18, 22 | - | 37 | 40 | 61 | ||
| 7GH50K | 18, 22 | - | 30 | 50 | 77 | ||
| 7GH60K | 18, 22 | - | 25 | 60 | 80 | ||
| 7GH75K | 18, 22 | - | 20 | 75 | 83 | ||
| Стандартная модель. Исполнение вала 1. |
|
| Стандартная модель. Исполнение вала 2. |
|
Если вы хотите купить мини мотор редуктор 7GH18 ... 75 (300 Ватт) , вы можете:
Позвонить:
Российская Федерация
+7 (495) 369-04-89
+7 (910) 726-725-4 (МТС) Смоленск
info@tech-privod.com
Республика Беларусь
+375 17 272-04-08 (т/ф) Минск
+375 29 61-787-61 (A1) Минск
+7 (495) 369-04-89
+7 (910) 726-725-4 (МТС) Смоленск
info@tech-privod.com
Республика Беларусь
+375 17 272-04-08 (т/ф) Минск
+375 29 61-787-61 (A1) Минск


