Мини мотор редуктор 7GH3 ... 20 (300 Ватт) Номинальная мощность - 0,3 кВт Выходные обороты: 75 об/мин ... 500 об/мин
Номинальная мощность - 0,3 кВт
Выходные обороты: 75 об/мин ... 500 об/мин
Мини редуктор 7IK300W-GH-(M) / 7GH3 ... 20 (300 Ватт) - представляет собой электро-механическую зубчатую передачу, состоящую из асинхронного мотора мощностью 300Вт переменного тока однофазного либо трехфазного напряжения, и износостойкого редукторного механизма 7GH, с передаточными числами, рассчитанными для получения на выходном валу от 75 об/мин ... 500 об/мин. Доступные электрические параметры устанавливаемых электродвигатель можно изучить здесь. Номинальный крутящий момент: 35 Нм. Доступно два исполнения выходного вала d=18 мм и d=22 мм. | Модель мотор-редуктора | Выходные обороты | Передаточное число | Крутящий момент | Масса | |||
| Мотор | редуктор | вал | n2 (об/мин) | i | M2 (Нм) | m (кг) | |
| 7IK300W-GH 7IK300W-GH-M | 7GH3K | 18, 22 | - | 500 | 3.0 | 5.2 | Стандарт – 8.8 С тормозом – 9.4 |
| 7GH3.6K | 18, 22 | - | 416 | 3.6 | 6.3 | ||
| 7GH5K | 18, 22 | - | 300 | 5.0 | 8.8 | ||
| 7GH6K | 18, 22 | - | 250 | 6.0 | 10 | ||
| 7GH7.5K | 18, 22 | - | 200 | 7.5 | 13 | ||
| 7GH9K | 18, 22 | - | 166 | 9.0 | 15 | ||
| 7GH10K | 18, 22 | - | 150 | 10 | 17 | ||
| 7GH12.5K | 18, 22 | - | 120 | 12.5 | 22 | ||
| 7GH15K | 18, 22 | - | 100 | 15 | 26 | ||
| 7GH18K | 18, 22 | - | 83 | 18 | 31 | ||
| 7GH20K | 18, 22 | - | 75 | 20 | 35 | ||
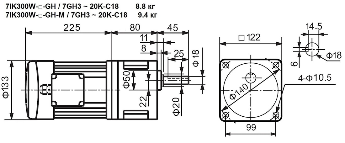
| Стандартная модель. Исполнение вала 1. |
|
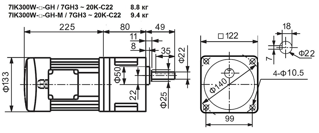
| Стандартная модель. Исполнение вала 2. |
|
Если вы хотите купить мини мотор редуктор 7GH3 ... 20 (300 Ватт) , вы можете:
Позвонить:
Российская Федерация
+7 (495) 369-04-89
+7 (910) 726-725-4 (МТС) Смоленск
info@tech-privod.com
Республика Беларусь
+375 17 272-04-08 (т/ф) Минск
+375 29 61-787-61 (A1) Минск
+7 (495) 369-04-89
+7 (910) 726-725-4 (МТС) Смоленск
info@tech-privod.com
Республика Беларусь
+375 17 272-04-08 (т/ф) Минск
+375 29 61-787-61 (A1) Минск


