Мини электродвигатель 6IK180W, 6IK180W-M (180 Ватт) Номинальная мощность - 0,18 кВт Выходные обороты: 1300 об/мин
Номинальная мощность - 0,18 кВт
Выходные обороты: 1300 об/мин
Мини электродвигатель 6IK180W-C1 (180 Вт 1Ф 110 В), 6IK180W-C2 (180 Вт 1Ф 220 В), 6IK180W-S2 (180 Вт 3Ф 220 В), 6IK180W-S3 (180 Вт 3Ф 380 В), 6IK180W-S2/3 (180 Вт 3Ф 220/380 В), 6IK180W-C1-M (180 Вт 1Ф 110 В), 6IK180W-C2-M (180 Вт 1Ф 220 В), 6IK180W-S2-M (180 Вт 3Ф 220 В), 6IK180W-S3-M (180 Вт 3Ф 380 В) - асинхронный электродвигатель переменного тока: однофазный (110 В и 220 В) и трехфазный (220 В и 380 В). Потребляемые токи: 1Ф-110 В - 3,05 А (3,15 А); 1Ф-220 В - 1,40 А (1,45 А); 3Ф-220В - 1,08 А (1,11 А); 3Ф-380 В - 0,61 А (0,65 А). Используемые конденсаторы для однофазных моделей электродвигателя: 110 В - 40 мкФ, 220 В - 10 мкФ.
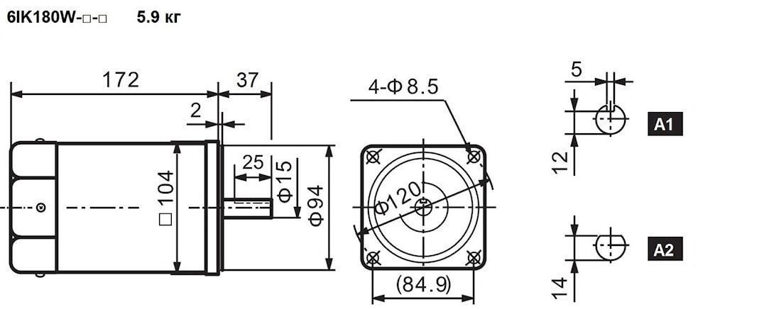
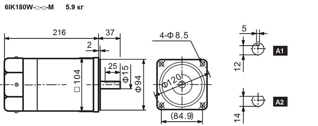
Степень пыле- влагозащиты IP44, с помощью установки клеммной коробки степень защиты может быть увеличена до IP54.
Расчетная температура эксплуатации: до +65С.
Схема подключения
Опции
Условное обозначение
| Модель двигателя | Мощность | Параметры напряжения | Конденсатор | Момент | Режим работ | ||||||
| Вт | Об. | Фаза | В | Гц | А | мкФ | Ном. Нм | Пуск. Нм | |||
| Асинхронные индукционные моторы | |||||||||||
| 6IK180W-C1-A1(A2) | 180Вт*1300об | 1 | 110 | 50 | 3.05 | 40 | 1.31 | 1.1 | Равномерный Продолжительный | ||
| 6IK180W-C2-A1(A2) | 1 | 220 | 1.40 | 10 | 1.31 | 1.1 | |||||
| 6IK180W-S2-A1(A2) | 3 | 220 | 1.08 | - | 1.31 | 3.41 | |||||
| 6IK180W-S3-A1(A2) | 3 | 380 | 0.61 | - | 1.31 | 3.41 | |||||
| Моторы со встроенным электромагнитным тормозом | |||||||||||
| 6IK180W-C1-A1(A2)-M | 180Вт*1300об | 1 | 110 | 50 | 3.15 | 48 | 1.31 | 1.1 | Прерывистый Краткосрочный Резкое торможение | ||
| 6IK180W-C2-A1(A2)-M | 1 | 220 | 1.45 | 12 | 1.31 | 1.1 | |||||
| 6IK180W-S2-A1(A2)-M | 3 | 220 | 1.11 | - | 1.31 | 3.41 | |||||
| 6IK180W-S3-A1(A2)-M | 3 | 380 | 0.65 | - | 1.31 | 3.41 | |||||
| Стандартная модель |
|
| Модель с электромагнитным тормозом |
|
Если вы хотите купить мини электродвигатель 6IK180W, 6IK180W-M (180 Ватт) , вы можете:
Позвонить:
Российская Федерация
+7 (495) 369-04-89
+7 (910) 726-725-4 (МТС) Смоленск
info@tech-privod.com
Республика Беларусь
+375 17 272-04-08 (т/ф) Минск
+375 29 61-787-61 (A1) Минск
+7 (495) 369-04-89
+7 (910) 726-725-4 (МТС) Смоленск
info@tech-privod.com
Республика Беларусь
+375 17 272-04-08 (т/ф) Минск
+375 29 61-787-61 (A1) Минск


