Цилиндрический редуктор DR972 80 об/мин ... 200 об/мин
80 об/мин ... 200 об/мин
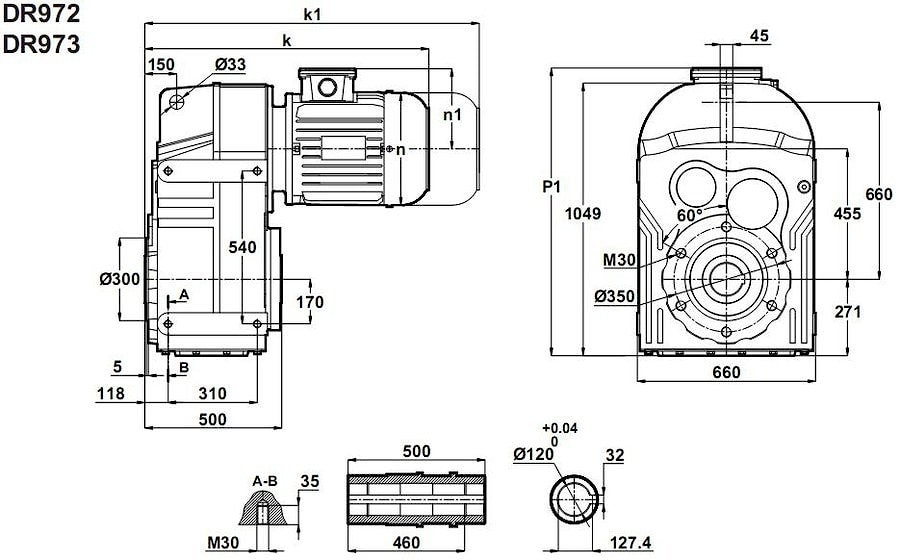
При подаваемой мощности 160 кВт рекомендуется использовать цилиндрический мотор редуктор с параллельными осями DR972-315М/4b.Крутящий момент - 8000 Nm - 17500 Nm.
Предлагаемые передаточные отношения: i=1/7,0 , i=1/ 7,8 , i=1/8,8 , i=1/ 10,0 , i=1/ 11,8 , i=1/ 13 , i=1/ 14,7 , i=1/ 16,6.
Пространственные размещения: М1 , М2 , М3 , М4 , М5 , М6.
Исполнения: полым валом , массивным валом, с выходным фланцем, зажимное устройство, с приставкой для смесителей , реактивной штангой и прочее.
Условное обозначение
Каталог D-series
| Обороты на выходном валу | Крутящий момент на выходном валу | Передаточное число | Радиальные нагрузки на выходной вал | Сервис фактор | Тип редуктора | Масса |
| n2 (об/мин-1) | M2 (Нм) | i | Fr (Н) | fs | m (кг) | |
| 84 | 17654 | 16,64 | 84617 | 1,0 | DR972-315М/4b | 1426 |
| 95 | 15682 | 14,77 | 84079 | 1,1 | ||
| 106 | 14023 | 13,19 | 83311 | 1,3 | ||
| 118 | 12608 | 11,85 | 82384 | 1,4 | ||
| 141 | 10580 | 9,94 | 78493 | 1,4 | ||
| 159 | 9398 | 8,82 | 77301 | 1,5 | ||
| 178 | 8404 | 7,88 | 76039 | 1,6 | ||
| 198 | 7555 | 7,08 | 74738 | 1,7 |

Вернуться к выбору мощностей
Мотор редуктор DR972 можно использовать как технический аналог к мотор редуктору SK9282 выпускаемых NORD , Германия .
Если вы хотите купить цилиндрический редуктор DR972 , вы можете:
Позвонить:
Российская Федерация
+7 (495) 369-04-89
+7 (910) 726-725-4 (МТС) Смоленск
info@tech-privod.com
Республика Беларусь
+375 17 272-04-08 (т/ф) Минск
+375 29 61-787-61 (A1) Минск
+7 (495) 369-04-89
+7 (910) 726-725-4 (МТС) Смоленск
info@tech-privod.com
Республика Беларусь
+375 17 272-04-08 (т/ф) Минск
+375 29 61-787-61 (A1) Минск
