Цилиндрический редуктор DR972 и DR973 50 об/мин ... 200 об/мин
50 об/мин ... 200 об/мин
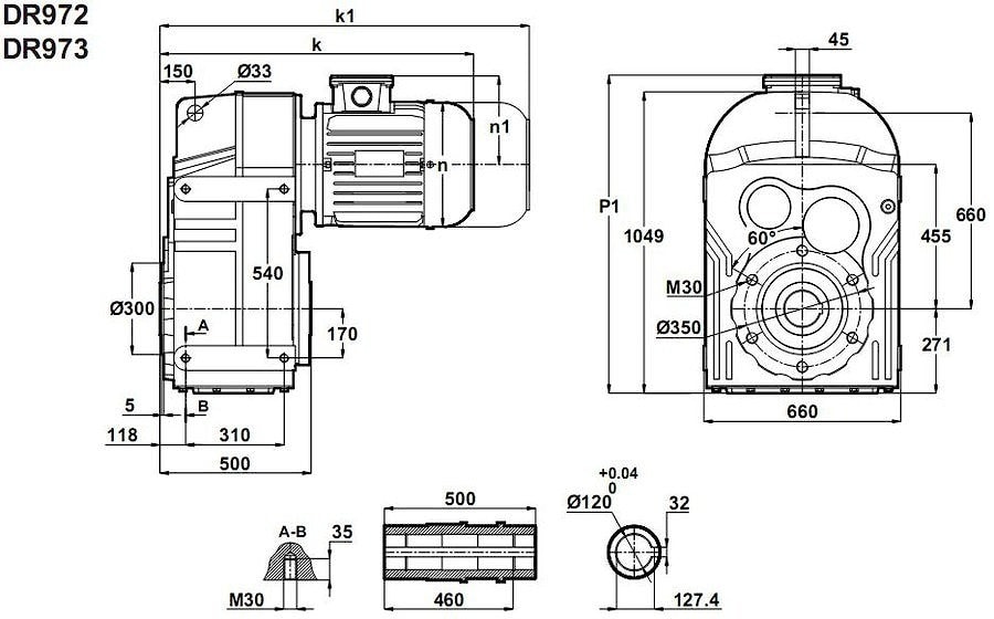
Механический механизм с цилиндрическим зацеплением DR972-315S/4 и DR973-315S/4.Мощность подключаемого электродвигателя - 110 кВт.
Вращающий момент на конце выходного тихоходного вала: 6000 Нм - 18000 Нм.
Получаемые обороты: 54 - 198 оборотов/минуту.
Редукторы, в зависимости от температур эксплуатации, по выбору потребителя, заливаются заводской смазкой.
Вес редукторного привода - 1400 кг.
Гарантия - 24 месяца.
Условное обозначение
Каталог D-series
| Обороты на выходном валу | Крутящий момент на выходном валу | Передаточное число | Радиальные нагрузки на выходной вал | Сервис фактор | Тип редуктора | Масса |
| n2 (об/мин-1) | M2 (Нм) | i | Fr (Н) | fs | m (кг) | |
| 54 | 18658 | 25,92 | 95059 | 1,0 | DR973-315S/4 | 1392 |
| 61 | 16473 | 22,85 | 94621 | 1,1 | ||
| 69 | 14633 | 20,27 | 96845 | 1,1 | ||
| 84 | 12136 | 16,64 | 94311 | 1,5 | DR972-315S/4 | 1267 |
| 95 | 10781 | 14,77 | 92588 | 1,7 | ||
| 106 | 9640 | 13,19 | 90842 | 1,9 | ||
| 118 | 8667 | 11,85 | 89094 | 2,1 | ||
| 141 | 7273 | 9,94 | 84760 | 2,0 | ||
| 159 | 6461 | 8,82 | 82813 | 2,2 | ||
| 178 | 5777 | 7,88 | 80925 | 2,3 | ||
| 198 | 5193 | 7,08 | 79097 | 2,5 |

Вернуться к выбору мощностей
Мотор редуктор DR972 и DR973 можно использовать как технический аналог к мотор редуктору SK9282 и SK9382 / выпускаемых NORD , Германия .
Если вы хотите купить цилиндрический редуктор DR972 и DR973 , вы можете:
Позвонить:
Российская Федерация
+7 (495) 369-04-89
+7 (910) 726-725-4 (МТС) Смоленск
info@tech-privod.com
Республика Беларусь
+375 17 272-04-08 (т/ф) Минск
+375 29 61-787-61 (A1) Минск
+7 (495) 369-04-89
+7 (910) 726-725-4 (МТС) Смоленск
info@tech-privod.com
Республика Беларусь
+375 17 272-04-08 (т/ф) Минск
+375 29 61-787-61 (A1) Минск
