Цилиндрический редуктор DR872 и DR873 90 об/мин … 250 об/мин
90 об/мин … 250 об/мин
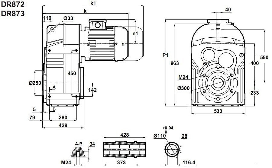
Цилиндрический мотор-редукторы с параллельным выходным валом, с меж осевым расстоянием - 400 мм, маркинуется следующим образом: DR872-280M/4 (двухступенчатый , с четырех полюсной конфигурацией двигателя) и DR873-280M/4 (трехступенчатый , с четырех полюсной конфигурацией двигателя). Подключаемый мотор - 90 кВт, трехфазный.Крутящий момент редукторной части: 3400 нм - 9000 нм.
Частота оборотов выходного вала от 91 об/мин до 250 об/мин.
Предлагаются различные присоединительные исполнения мотор-редукторов, пространственные расположения мотор-редукторов.
Условное обозначение
Каталог D-series
| Обороты на выходном валу | Крутящий момент на выходном валу | Передаточное число | Радиальные нагрузки на выходной вал | Сервис фактор | Тип редуктора | Масса |
| n2 (об/мин-1) | M2 (Нм) | i | Fr (Н) | fs | m (кг) | |
| 91 | 9122 | 15,45 | 77050 | 1,2 | DR873-280M/4 | 943 |
| 103 | 8030 | 13,58 | 75824 | 1,3 | ||
| 100 | 8366 | 14,02 | 78158 | 1,3 | DR872-280M/4 | 914 |
| 113 | 7384 | 12,36 | 76570 | 1,4 | ||
| 128 | 6557 | 10,97 | 74963 | 1,5 | ||
| 143 | 5851 | 9,78 | 73354 | 1,6 | ||
| 160 | 5242 | 8,75 | 71753 | 1,7 | ||
| 172 | 4862 | 8,12 | 69538 | 1,6 | ||
| 196 | 4291 | 7,16 | 67793 | 1,7 | ||
| 220 | 3810 | 6,35 | 66099 | 1,8 | ||
| 247 | 3400 | 5,66 | 64454 | 2,0 |

Вернуться к выбору мощностей
Мотор редуктор DR872 и DR873 можно использовать как технический аналог к мотор редуктору SK8282 и SK8382 / выпускаемых NORD , Германия ; мотор-редуктору F904 / производства Bonfiglioli , Италия.
Если вы хотите купить цилиндрический редуктор DR872 и DR873 , вы можете:
Позвонить:
Российская Федерация
+7 (495) 369-04-89
+7 (910) 726-725-4 (МТС) Смоленск
info@tech-privod.com
Республика Беларусь
+375 17 272-04-08 (т/ф) Минск
+375 29 61-787-61 (A1) Минск
+7 (495) 369-04-89
+7 (910) 726-725-4 (МТС) Смоленск
info@tech-privod.com
Республика Беларусь
+375 17 272-04-08 (т/ф) Минск
+375 29 61-787-61 (A1) Минск
