Цилиндрический редуктор DR972 и DR973 50 об/мин ... 150 об/мин
50 об/мин ... 150 об/мин
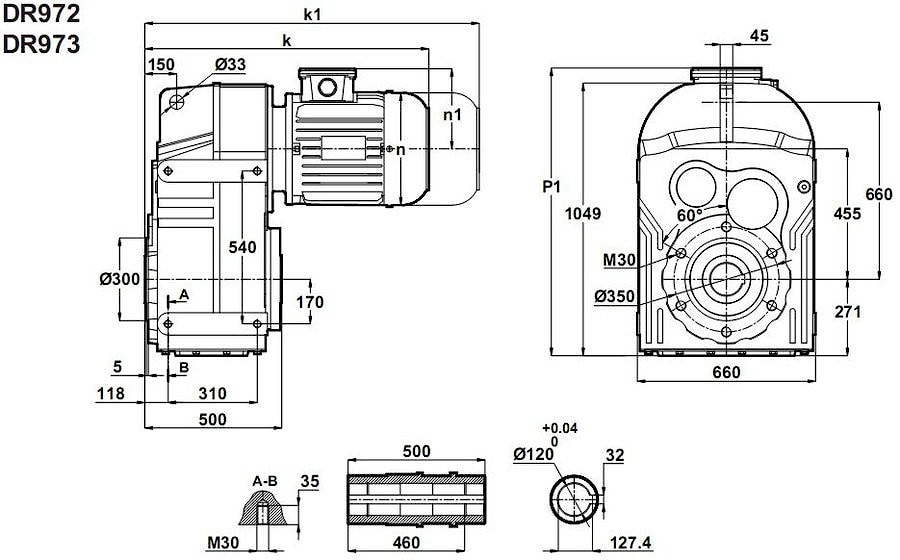
Спецификация продукта:Тип трансмиссии: цилиндрический с параллельными валами.
Марка: DR972-280M/4 и DR973-280M/4.
Подключаемые электродвигатели: мощность 90 кВт (90*3000 , 90*1500 , 90*1000 , 90* 750).
Вращающий момент: 5000 нм - 15000 нм.
Передаточные соотношения: i=1/7,0, i=1/ 7,8 i=1/ 8,8 , i=1/ 10 , i=1/ 11,8 i=1/ 13 i=1/ 14 i=1/ 16 i=1/ 20 i=1/ 22 i=1/ 25.
Исполнение: полый вал , цельный массивный вал , выходной фланец, зажим для полого вала, реактивная штанга , подвесное и др.
Условное обозначение
Каталог D-series
| Обороты на выходном валу | Крутящий момент на выходном валу | Передаточное число | Радиальные нагрузки на выходной вал | Сервис фактор | Тип редуктора | Масса |
| n2 (об/мин-1) | M2 (Нм) | i | Fr (Н) | fs | m (кг) | |
| 54 | 15266 | 25,92 | 101921 | 1,2 | DR973-280M/4 | 1242 |
| 61 | 13478 | 22,85 | 100591 | 1,3 | ||
| 69 | 11973 | 20,27 | 99080 | 1,4 | ||
| 84 | 9930 | 16,64 | 98055 | 1,8 | DR972-280M/4 | 1117 |
| 95 | 8820 | 14,77 | 95885 | 2,0 | ||
| 106 | 7887 | 13,19 | 93766 | 2,3 | ||
| 118 | 7097 | 11,85 | 91705 | 2,5 | ||
| 141 | 5951 | 9,94 | 87195 | 2,5 | ||
| 159 | 5286 | 8,82 | 84959 | 2,7 | ||
| 178 | 4726 | 7,88 | 82831 | 2,9 | ||
| 198 | 4249 | 7,08 | 80800 | 3,0 |

Вернуться к выбору мощностей
Мотор редуктор DR972 и DR973 можно использовать как технический аналог к мотор редуктору SK9282 и SK9382 / выпускаемых NORD , Германия .
Если вы хотите купить цилиндрический редуктор DR972 и DR973 , вы можете:
Позвонить:
Российская Федерация
+7 (495) 369-04-89
+7 (910) 726-725-4 (МТС) Смоленск
info@tech-privod.com
Республика Беларусь
+375 17 272-04-08 (т/ф) Минск
+375 29 61-787-61 (A1) Минск
+7 (495) 369-04-89
+7 (910) 726-725-4 (МТС) Смоленск
info@tech-privod.com
Республика Беларусь
+375 17 272-04-08 (т/ф) Минск
+375 29 61-787-61 (A1) Минск
