Цилиндрический редуктор DR972 и DR973 35 об/мин ... 160 об/мин
35 об/мин ... 160 об/мин
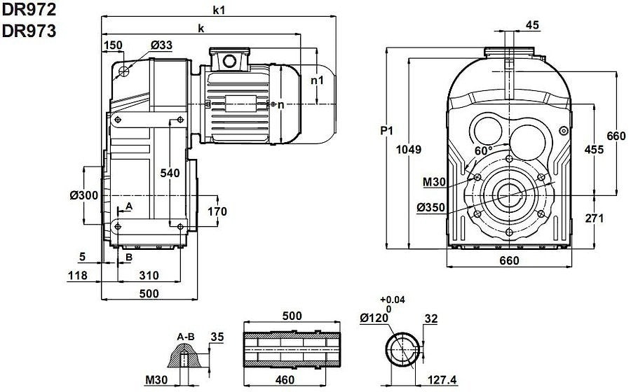
Трех- и двух- ступенчатый мотор редуктор с параллельным валом 9-ой серии маркируется как DR972-280S/4 и DR973-280S/4 - сверх мощная машина по передаче вращающего момента: 4000 Nm - 18500 Nm, вырабатываемой из энергии, выделяемой высокой угловой скорости на входе, от асинхронного трехфазного электродвигателя мощностью - 75 кВт (400В , 690В), на передаточных числах: i=1:7,0 , i=1:7,8 , i=1:8,8 , i=1:10 , i=1:12 , i=1:13 , i=1:15, i=1:17 , i=1:20 , i=1:23 , i=1:26 , i=1:34 , i=1:38.Трансмиссия поставляется заправленной минеральной смазкой.
Условное обозначение
Каталог D-series
| Обороты на выходном валу | Крутящий момент на выходном валу | Передаточное число | Радиальные нагрузки на выходной вал | Сервис фактор | Тип редуктора | Масса |
| n2 (об/мин-1) | M2 (Нм) | i | Fr (Н) | fs | m (кг) | |
| 37 | 18744 | 38,24 | 115121 | 1,0 | DR973-280S/4 | 1188 |
| 41 | 16650 | 33,93 | 113629 | 1,1 | ||
| 54 | 12721 | 25,92 | 106927 | 1,4 | ||
| 61 | 11231 | 22,85 | 104956 | 1,5 | ||
| 69 | 9977 | 20,27 | 102915 | 1,7 | ||
| 84 | 8274 | 16,64 | 100815 | 2,2 | DR972-280S/4 | 1063 |
| 95 | 7350 | 14,77 | 98317 | 2,4 | ||
| 106 | 6572 | 13,19 | 95926 | 2,7 | ||
| 118 | 5909 | 11,85 | 93635 | 3,0 | ||
| 141 | 4959 | 9,94 | 88995 | 3,0 | ||
| 159 | 4405 | 8,82 | 86547 | 3,2 | ||
| 178 | 3938 | 7,88 | 84243 | 3,4 | ||
| 198 | 3541 | 7,08 | 82063 | 3,6 |

Вернуться к выбору мощностей
Мотор редуктор DR972 и DR973 можно использовать как технический аналог к мотор редуктору SK9282 и SK9382 / выпускаемых NORD , Германия .
Если вы хотите купить цилиндрический редуктор DR972 и DR973 , вы можете:
Позвонить:
Российская Федерация
+7 (495) 369-04-89
+7 (910) 726-725-4 (МТС) Смоленск
info@tech-privod.com
Республика Беларусь
+375 17 272-04-08 (т/ф) Минск
+375 29 61-787-61 (A1) Минск
+7 (495) 369-04-89
+7 (910) 726-725-4 (МТС) Смоленск
info@tech-privod.com
Республика Беларусь
+375 17 272-04-08 (т/ф) Минск
+375 29 61-787-61 (A1) Минск
