Цилиндрический редуктор DR972 и DR973 30 об/мин ... 120 об/мин
30 об/мин ... 120 об/мин
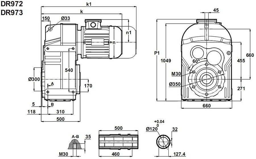
Промышленная передача с параллельными осями DR972-250M/4 и DR973-250M/4 - зубчато-шестереночный механизм , для доставки устойчивого крутящего момента в пределах: 6000 Nm - 18000Nm от электро приводной установки мощностью 55 кВт, с выходной скоростью оборотов вала: 28 - 118 оборотов/минуту.Редуктор имеет ряд эксплуатационных преимуществ: универсальность , много функциональность, надежность, экономичность , безопасность.
Гарантия на продукт: 2 года.
Условное обозначение
Каталог D-series
| Обороты на выходном валу | Крутящий момент на выходном валу | Передаточное число | Радиальные нагрузки на выходной вал | Сервис фактор | Тип редуктора | Масса |
| n2 (об/мин-1) | M2 (Нм) | i | Fr (Н) | fs | m (кг) | |
| 28 | 17965 | 50,12 | 128952 | 1,0 | DR973-250M/4 | 1065 |
| 32 | 15569 | 43,38 | 126372 | 1,2 | ||
| 37 | 13744 | 38,24 | 123866 | 1,3 | ||
| 41 | 12209 | 33,93 | 121315 | 1,5 | ||
| 54 | 9328 | 25,92 | 113418 | 1,9 | ||
| 61 | 8235 | 22,85 | 110627 | 2,1 | ||
| 69 | 7316 | 20,27 | 107907 | 2,3 | ||
| 84 | 6067 | 16,64 | 104430 | 3,0 | DR972-250M/4 | 1046 |
| 95 | 5389 | 14,77 | 101508 | 3,3 | ||
| 106 | 4819 | 13,19 | 98763 | 3,7 | ||
| 118 | 4333 | 11,85 | 96173 | 4,1 |

Вернуться к выбору мощностей
Мотор редуктор DR972 и DR973 можно использовать как технический аналог к мотор редуктору SK9282 и SK9382 / выпускаемых NORD , Германия .
Если вы хотите купить цилиндрический редуктор DR972 и DR973 , вы можете:
Позвонить:
Российская Федерация
+7 (495) 369-04-89
+7 (910) 726-725-4 (МТС) Смоленск
info@tech-privod.com
Республика Беларусь
+375 17 272-04-08 (т/ф) Минск
+375 29 61-787-61 (A1) Минск
+7 (495) 369-04-89
+7 (910) 726-725-4 (МТС) Смоленск
info@tech-privod.com
Республика Беларусь
+375 17 272-04-08 (т/ф) Минск
+375 29 61-787-61 (A1) Минск
