Червячный редуктор EV040 Номинальная мощность - 0,25 кВт Выходные обороты: 40 об/мин ... 175 об/мин
Номинальная мощность - 0,25 кВт
Выходные обороты: 40 об/мин ... 175 об/мин

Общепромышленный асинхронный электродвигатель переменного тока мощностью 0,25кВт и редукторная часть EV040 с передаточными числами от i=8 до i=60 в сборе представляют собой механический узел - мотор-редуктор.
Передаваемый крутящий момент находится в пределах 10 ... 30 Нм. (в зависимости от выбранного передаточного числа).
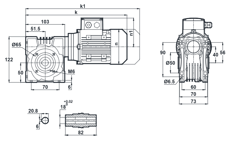
Предлагается множество присоединительных принадлежностей: выходные фланцы с различными опциями, стандартные и пользовательские приводные валы, специальные диаметры полых валов, анти вибрационные крепежные рычаги и др. (см. дополнения).
Сервис-фактор (fs)
Монтажные исполнения
Исполнение с реактивной штангой
Специальные диаметры валов
Выходные фланцы
Условное обозначение
Каталог E-series
Обороты на выходном валу | Крутящий момент на выходном валу | Передаточное число | Радиальные нагрузки на выходной вал | Сервис фактор | Тип редуктора | Масса |
n2 (об/мин-1) | M2 (Нм) | i | Fr (Н) | fs | m (кг) | |
23 | 58 | 62 | 2420 | 0,6 | EV040-71/4a | 7,3 |
28 | 47 | 50 | 2040 | 0,7 | ||
33 | 43 | 42 | 2080 | 0,8 | ||
44 | 35 | 32 | 1960 | 1,0 | ||
56 | 30 | 25 | 1940 | 1,2 | ||
67 | 28 | 21 | 1970 | 1,5 | ||
88 | 22 | 16 | 1920 | 1,9 | ||
117 | 17 | 12 | 2020 | 2,6 | ||
133 | 15 | 10,5 | 1950 | 2,7 | ||
175 | 12 | 8 | 2080 | 3,6 |

Вернуться к выбору мощностей
Червячный мотор-редуктор EV040 - можно рассматривать как: полный аналог червячных редукторов брэндов Motovario (Италия) , Transtecno (Италия) , Innovari (Италия) , Siti (Италия) , STM Spa (Италия) , PGR (Турция) , Tramec (Италия), а также моделей NMRV и RV (многочисленных китайских производителей).
Червячный мотор-редуктор EV040 - можно рассматривать как: технический аналог червячных редукторов таких брэндов , как Bonfiglioli (Италия) , Watt drive (Австрия) , Varvel (Италия) , Nord Getriebebau DriveSystems (Германия) , Sew Eurodrive (Германия) , Bauer Gearmotors (Германия) , Tos-Znojmo (Чехия) .
Червячный редуктор ET040 можно рассматривать как технический аналог: червячных редукторов (производства российских и украинских заводов), червячных редукторов NRV (производства многочисленных китайских производителей).
.
Если вы хотите купить червячный редуктор EV040 , вы можете:
Позвонить:
Российская Федерация
+7 (495) 369-04-89
+7 (910) 726-725-4 (МТС) Смоленск
info@tech-privod.com
Республика Беларусь
+375 17 272-04-08 (т/ф) Минск
+375 29 61-787-61 (A1) Минск
+7 (495) 369-04-89
+7 (910) 726-725-4 (МТС) Смоленск
info@tech-privod.com
Республика Беларусь
+375 17 272-04-08 (т/ф) Минск
+375 29 61-787-61 (A1) Минск