Червячный редуктор EV063-E30 Номинальная мощность - 0,12 кВт Выходные обороты: 3,0 об/мин ... 7,0 об/мин
Номинальная мощность - 0,12 кВт
Выходные обороты: 3,0 об/мин ... 7,0 об/мин
Двухступенчатый червячный редуктор (мотор-редуктор) EV063-E030-0,12/1500 - является одним из актуальных решений механического привода в своем классе, с подводимой мощностью до 0,12кВт. Наиболее подходящий скоростной режим редукторного механизма находится в диапазоне от 3,0 об/мин до 7,0 об/мин т.е при данных оборотах достигается рациональный сервис-фактор.Следует отметить сбалансированность и компактность редуктора, возможность установки механизма в различных пространственных расположениях.
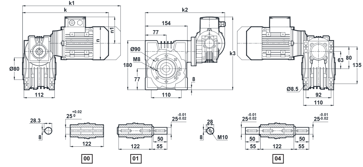
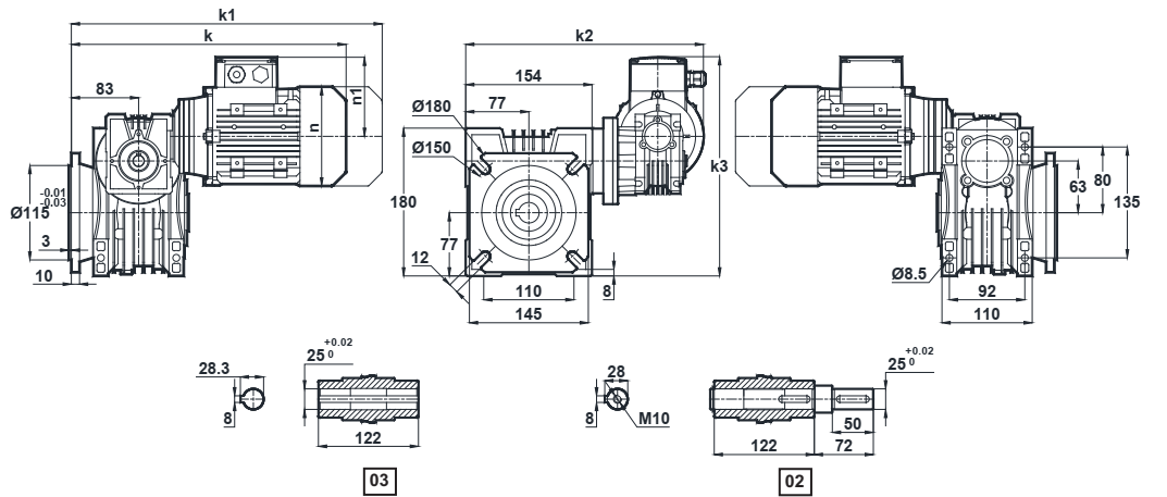
Присоединительные размеры полнотелых и полых валов, а также выходных фланцев изготавливаются в различных вариантах, что позволяет потребителю без проблем интегрировать мотор-редуктор в свои проекты(см. дополнения).
Сервис-фактор (fs)
Монтажные исполнения
Исполнение с реактивной штангой
Специальные диаметры валов
Выходные фланцы
Условное обозначение
Каталог E-series
| Обороты на выходном валу | Крутящий момент на выходном валу | Передаточное число | Радиальные нагрузки на выходной вал | Сервис фактор | Тип редуктора | Масса |
| n2 (об/мин-1) | M2 (Нм) | i | Fr (Н) | fs | m (кг) | |
| 1,9 | 172 | 725 | 6200 | 0,8 | EV063-E030-63/4a | 10,8 |
| 2,3 | 135 | 609 | 6200 | 0,9 | ||
| 2,8 | 129 | 493 | 6200 | 1,0 | ||
| 3,3 | 114 | 420 | 6200 | 1,1 | ||
| 4,6 | 90 | 304 | 6200 | 1,3 | ||
| 6,7 | 79 | 210 | 6200 | 1,8 |
Вернуться к выбору мощностей
Червячный мотор-редуктор EV063-Е030 - можно рассматривать как: полный аналог червячных редукторов брэндов Motovario (Италия) , Transtecno (Италия) , Innovari (Италия) , Siti (Италия) , STM Spa (Италия) , PGR (Турция) , Tramec (Италия), а также моделей NMRV и RV (многочисленных китайских производителей).
Червячный мотор-редуктор EV063-E030 - можно рассматривать как: технический аналог червячных редукторов таких брэндов , как Bonfiglioli (Италия) , Watt drive (Австрия) , Varvel (Италия) , Nord Getriebebau DriveSystems (Германия) , Sew Eurodrive (Германия) , Bauer Gearmotors (Германия) , Tos-Znojmo (Чехия) .
Червячный редуктор ET063-E030 можно рассматривать как технический аналог: червячных редукторов (производства российских и украинских заводов), червячных редукторов NRV (производства многочисленных китайских производителей).
Если вы хотите купить червячный редуктор EV063-E30 , вы можете:
Позвонить:
Российская Федерация
+7 (495) 369-04-89
+7 (910) 726-725-4 (МТС) Смоленск
info@tech-privod.com
Республика Беларусь
+375 17 272-04-08 (т/ф) Минск
+375 29 61-787-61 (A1) Минск
+7 (495) 369-04-89
+7 (910) 726-725-4 (МТС) Смоленск
info@tech-privod.com
Республика Беларусь
+375 17 272-04-08 (т/ф) Минск
+375 29 61-787-61 (A1) Минск
