Конические редукторы KR873 50 об/мин... 150 об/мин
50 об/мин... 150 об/мин
Коническая трансмиссионная передача служит для превращения высокой угловой скорости, которую задает на входе электро механическое моторное устройство, в устойчивый крутящий момент на выходе.Мотор-редуктор KR873-280M/4, с мощностью 90кВт, передаваемого усилие на конце выходного вала - 6000Нм - 14000Нм, предлагаемые передаточные числа: 1/10, 1/11, 1/12, 1/14, 1/16, 1/19, 1/21, 1/24, 1/30.
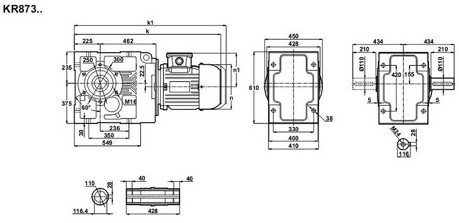
Условное обозначение
Каталог K-series
| Обороты на выходном валу | Крутящий момент на выходном валу | Передаточное число | Радиальные нагрузки на выходной вал | Сервис фактор | Тип редуктора | Масса |
| n2 (об/мин-1) | M2 (Нм) | i | Fr (Н) | fs | m (кг) | |
| 47 | 17242 | 29,88 | 58931 | 0,8 | KR873-280M/4 | 1138 |
| 58 | 14009 | 24,28 | 61154 | 1,0 | ||
| 66 | 12317 | 21,34 | 61899 | 1,1 | ||
| 73 | 11114 | 19,26 | 62205 | 1,2 | ||
| 83 | 9685 | 16,78 | 62271 | 1,3 | ||
| 101 | 8038 | 13,93 | 58980 | 1,1 | ||
| 114 | 7067 | 12,25 | 58739 | 1,2 | ||
| 127 | 6377 | 11,05 | 58378 | 1,3 | ||
| 145 | 5557 | 9,63 | 57697 | 1,4 |

Вернуться к выбору мощностей
Мотор-редуктор KR873 - полный аналог мотор-редукторов SK9082.1 , SK9082.1 VF , SK9082.1 AZ (Nord (Германия), можно рассматривать как технический аналог мотор-редукторов марок B163 (от Motovario (Италия)) , МВН180 (Siti (Италия) A 904 (производства Bonfiglioli (Италия)).
Редуктор КТ873 можно рассматривать как аналогичный (приближенным по крепежным размерам) редукторам ВН180, ВН200 (произведенных под маркой Siti (Италия)) и технический аналог редукторам КЦ1-500 , КЦ2-250Н (производства "Зарем").
Если вы хотите купить конические редукторы KR873 , вы можете:
Позвонить:
Российская Федерация
+7 (495) 369-04-89
+7 (910) 726-725-4 (МТС) Смоленск
info@tech-privod.com
Республика Беларусь
+375 17 272-04-08 (т/ф) Минск
+375 29 61-787-61 (A1) Минск
+7 (495) 369-04-89
+7 (910) 726-725-4 (МТС) Смоленск
info@tech-privod.com
Республика Беларусь
+375 17 272-04-08 (т/ф) Минск
+375 29 61-787-61 (A1) Минск
