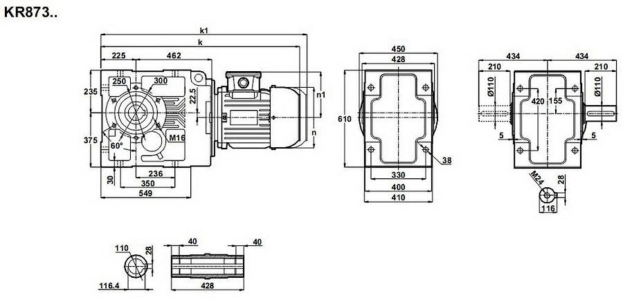
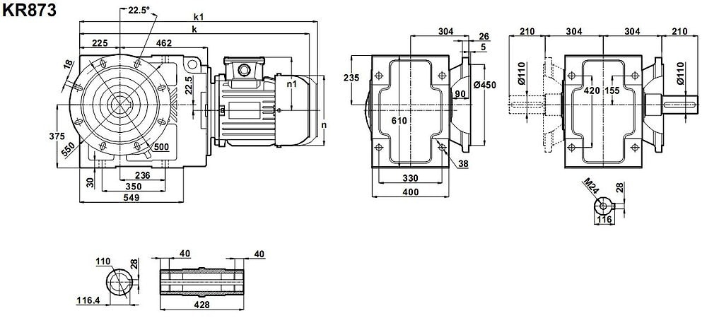
Конические редукторы KR873 60 об/мин... 150 об/мин
60 об/мин... 150 об/мин
Коническо-цилиндрический моторредуктор KR873-280S/4 - это, прежде всего, подводимая мощность, как правило, асинхронный трехфазный электрический мотор переменного тока, номинальной мощностью 75 киловатт ( в качестве подводимого энергетического устройства может использоваться гидромоторы, синхронный двигатели, серво механизмы и д.р.) и трансмиссионная редукторная часть с выходными оборотами выходного вала: 37 - 145 оборотов в минуту, вращающие усилия - 5000 - 12000 ньютонов на метр.Допустимые радиальные нагрузки на исполнительные валы - 60000 Н.
Условное обозначение
Каталог K-series
| Обороты на выходном валу | Крутящий момент на выходном валу | Передаточное число | Радиальные нагрузки на выходной вал | Сервис фактор | Тип редуктора | Масса |
| n2 (об/мин-1) | M2 (Нм) | i | Fr (Н) | fs | m (кг) | |
| 37 | 18273 | 38,00 | 64021 | 0,8 | KR873-280S/4 | 1058 |
| 41 | 16488 | 34,28 | 65322 | 0,8 | ||
| 47 | 14368 | 29,88 | 66511 | 0,9 | ||
| 58 | 11674 | 24,28 | 67309 | 1,2 | ||
| 66 | 10264 | 21,34 | 67310 | 1,3 | ||
| 73 | 9262 | 19,26 | 67086 | 1,4 | ||
| 83 | 8071 | 16,78 | 66523 | 1,6 | ||
| 101 | 6698 | 13,93 | 62987 | 1,3 | ||
| 114 | 5889 | 12,25 | 62261 | 1,4 | ||
| 127 | 5314 | 11,05 | 61555 | 1,5 | ||
| 145 | 4631 | 9,63 | 60465 | 1,7 |


Вернуться к выбору мощностей
Мотор-редуктор KR873 - полный аналог мотор-редукторов SK9082.1 , SK9082.1 VF , SK9082.1 AZ (Nord (Германия), можно рассматривать как технический аналог мотор-редукторов марок B163 (от Motovario (Италия)) , МВН180 (Siti (Италия) A 904 (производства Bonfiglioli (Италия)).
Редуктор КТ873 можно рассматривать как аналогичный (приближенным по крепежным размерам) редукторам ВН180, ВН200 (произведенных под маркой Siti (Италия)) и технический аналог редукторам КЦ1-500 , КЦ2-250Н (производства "Зарем").
Если вы хотите купить конические редукторы KR873 , вы можете:
Позвонить:
Российская Федерация
+7 (495) 369-04-89
+7 (910) 726-725-4 (МТС) Смоленск
info@tech-privod.com
Республика Беларусь
+375 17 272-04-08 (т/ф) Минск
+375 29 61-787-61 (A1) Минск
+7 (495) 369-04-89
+7 (910) 726-725-4 (МТС) Смоленск
info@tech-privod.com
Республика Беларусь
+375 17 272-04-08 (т/ф) Минск
+375 29 61-787-61 (A1) Минск
