Червячный редуктор EV040 Номинальная мощность - 0,18 кВт Выходные обороты: 30 об/мин ... 180 об/мин
Номинальная мощность - 0,18 кВт
Выходные обороты: 30 об/мин ... 180 об/мин

При этом крутящий момент на выходном валу составляет от 15 Nm до 30 Nm (зависит от выбранного передаточного числа). Оптимальные передаточные числа для данного типоразмера i=15 ... i=40 (согласно нормативного сервис-фактор).
Мотор-редуктор оснащен заводской смазкой, а также в корпусе имеют заливные, мерные и сливные горловины для своевременного контроля и замены трансмиссионной смазки.
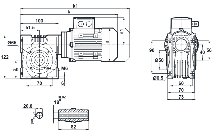
С помощью большого набора присоединительных элементов данный привод легко совмещается, адаптируется и служит заменой аналогичных агрегатов других производителей (см дополнения).
Совмещает все достоинства зубчатых передач червячного типа.
Сервис-фактор (fs)
Монтажные исполнения
Исполнение с реактивной штангой
Специальные диаметры валов
Выходные фланцы
Условное обозначение
Каталог E-series
Обороты на выходном валу | Крутящий момент на выходном валу | Передаточное число | Радиальные нагрузки на выходной вал | Сервис фактор | Тип редуктора | Масса |
n2 (об/мин-1) | M2 (Нм) | i | Fr (Н) | fs | m (кг) | |
18 | 48 | 80 | 1890 | 0,7 | EV040-63/4b | 6,1 |
23 | 37 | 62 | 2550 | 0,8 | ||
28 | 34 | 50 | 2390 | 1,0 | ||
33 | 31 | 42 | 2360 | 1,2 | ||
44 | 26 | 32 | 2200 | 1,4 | ||
56 | 22 | 25 | 2120 | 1,7 | ||
67 | 19 | 21 | 2110 | 2,1 | ||
88 | 15 | 16 | 2140 | 2,6 | ||
117 | 12 | 12 | 2130 | 3,7 | ||
133 | 10 | 10,5 | 2050 | 3,7 | ||
175 | 8 | 8 | 2180 | 4,9 |

Вернуться к выбору мощностей
Червячный мотор-редуктор EV040 - можно рассматривать как: полный аналог червячных редукторов брэндов Motovario (Италия) , Transtecno (Италия) , Innovari (Италия) , Siti (Италия) , STM Spa (Италия) , PGR (Турция) , Tramec (Италия), а также моделей NMRV и RV (многочисленных китайских производителей).
Червячный мотор-редуктор EV040 - можно рассматривать как: технический аналог червячных редукторов таких брэндов , как Bonfiglioli (Италия) , Watt drive (Австрия) , Varvel (Италия) , Nord Getriebebau DriveSystems (Германия) , Sew Eurodrive (Германия) , Bauer Gearmotors (Германия) , Tos-Znojmo (Чехия) .
Червячный редуктор ET040 можно рассматривать как технический аналог: червячных редукторов (производства российских и украинских заводов), червячных редукторов NRV (производства многочисленных китайских производителей).
Если вы хотите купить червячный редуктор EV040 , вы можете:
Позвонить:
Российская Федерация
+7 (495) 369-04-89
+7 (910) 726-725-4 (МТС) Смоленск
info@tech-privod.com
Республика Беларусь
+375 17 272-04-08 (т/ф) Минск
+375 29 61-787-61 (A1) Минск
+7 (495) 369-04-89
+7 (910) 726-725-4 (МТС) Смоленск
info@tech-privod.com
Республика Беларусь
+375 17 272-04-08 (т/ф) Минск
+375 29 61-787-61 (A1) Минск