Соосный цилиндрический редуктор MR872 NR872 70 об/мин ... 300 об/мин
70 об/мин ... 300 об/мин
Электрическая асинхронная энергетическая машина номиналом 90кВт переменного тока 400V - 600V совместно с цилиндрической трансмиссионной приставкой предлагается на рынке как осевой мотор-редуктор MR872-280M/4 (лапы), NR872-280M/4 (фланец).Область передаточных делителей для привода i=4.0 - i=20.
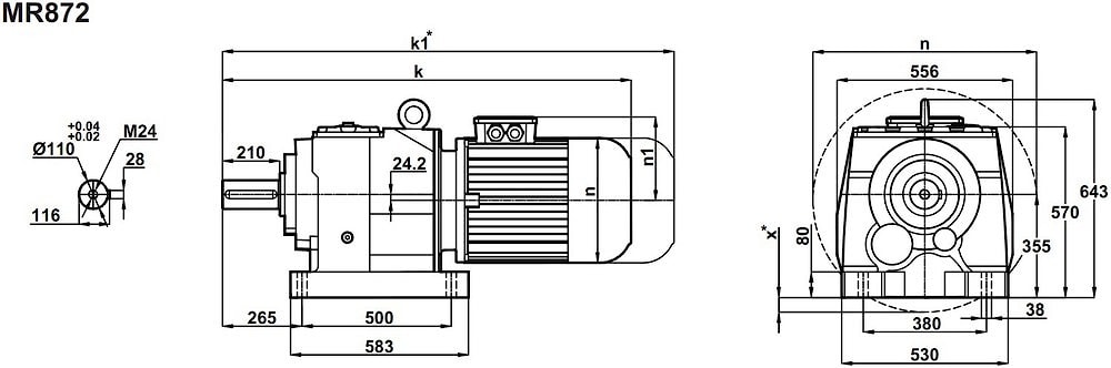
Вращающий момент на конце выходного вала до 10000Nm.
Радиальные нагрузки , приложенные к исполнительному валу до 53000N.
Чугунный корпус редуктора изготовлен единой деталью, в которой прочно статически зафиксированы оси зубчатых колес.
Условное обозначение
Каталог M-series
| Обороты на выходном валу | Крутящий момент на выходном валу | Передаточное число | Радиальные нагрузки на выходной вал | Сервис фактор | Тип редуктора | Масса |
| n2 (об/мин-1) | M2 (Нм) | i | Fr (Н) | fs | m (кг) | |
| 68 | 11950 | 20,71 | 54393 | 1,1 | MR872-280M/4 NR872-280M/4 | 930 935 |
| 77 | 10507 | 18,21 | 55053 | 1,2 | ||
| 85 | 9480 | 16,43 | 55324 | 1,4 | ||
| 98 | 8262 | 14,32 | 55380 | 1,5 | ||
| 105 | 7674 | 13,3 | 55324 | 1,7 | ||
| 121 | 6688 | 11,59 | 53872 | 1,5 | ||
| 139 | 5946 | 10,09 | 56539 | 1,6 | ||
| 158 | 5227 | 8,87 | 55536 | 1,7 | ||
| 181 | 4547 | 7,71 | 52610 | 1,9 | ||
| 206 | 3997 | 6,78 | 51631 | 2,1 | ||
| 229 | 3607 | 6,12 | 50787 | 2,2 | ||
| 263 | 3143 | 5,33 | 49588 | 2,5 | ||
| 283 | 2920 | 4,95 | 47000 | 2,5 | ||
| 324 | 2545 | 4,32 | 45961 | 2,8 |


Вернуться к выбору мощностей
Редуктор MR872 является аналогом мотор-редукторов MNHL100/2 и MNHL100/3 , MNHL 100 2 и MNHL 100 3 , MNHL100 2 и MHL 100 3(производитель Siti (Италия).
И техническим аналогом мотор-редукторов SK92 , SK93 , SK 92 , SK 93 (производства Nord (Германия) , C100 2P , C100 3P , C 100 2 P , C 100 3P , C 1002 P , C 100 3 P (производства Bonfiglioli (Италия) мотор-редукторов МР3-500 Щ , МР3 500 Щ , МР3-500 Щ , МР 3-500 Щ , МР 3 500-Щ , МР 3-500 Щ , МР2-500 Щ , МР2 500 Щ , МР2-500 Щ , МР 2-500 Щ , МР 2 500-Щ , МР 2-500 Щ (производства Тамбовполимермаш).
Редуктор NR872 является полным аналогом мотор-редукторов C100 2 F и C100 3 F , C 100 2 F и C 100 3 F , C 1002 F и C 100 3F (производства Bonfiglioli Италия).
И техническим аналогом мотор редукторов SK92F , SK93F , SK 92F , SK 93F , SK 92 F , SK 93 F (произведенных Nord (Германия), мотор-редукторов MNHL100/2-F и MNHL100/3-F , MN HL100 2-F и MNHL 100/3-F , MNHL 100 2 F и MHL 100 3F (производства Siti (Италия) , мотор-редукторов МР3 500 Ф1В , МР 3 500 Ф2В , МР3 500-Ф1В , МР 3-500 Ф 2В , М Р 3 500 Ф1 В , МР3 500Ф1В , МР 3-500 Ф2В , МР 3 500 Ф2В , МР3-500 Ф 1 В , МР2 500 Ф1В , МР 2 500 Ф 2В , МР2 500-Ф1В , МР 2-500 Ф2В , М Р 2 500 Ф1В , МР2 500Ф1 В , МР 2-500 Ф2В , МР 2 500 Ф1В , МР 2-500 Ф2В (производства Тамбовполимермаш).
Если вы хотите купить соосный цилиндрический редуктор MR872 NR872 , вы можете:
Позвонить:
Российская Федерация
+7 (495) 369-04-89
+7 (910) 726-725-4 (МТС) Смоленск
info@tech-privod.com
Республика Беларусь
+375 17 272-04-08 (т/ф) Минск
+375 29 61-787-61 (A1) Минск
+7 (495) 369-04-89
+7 (910) 726-725-4 (МТС) Смоленск
info@tech-privod.com
Республика Беларусь
+375 17 272-04-08 (т/ф) Минск
+375 29 61-787-61 (A1) Минск
