Соосный мини мотор-редуктор НН40 и НV40 Номинальная мощность – 1.1 кВт Выходные обороты: 7 об/мин … 10 об/мин
| Соосный мини мотор-редуктор НН40 (исполнение на лапах) | ![]() |
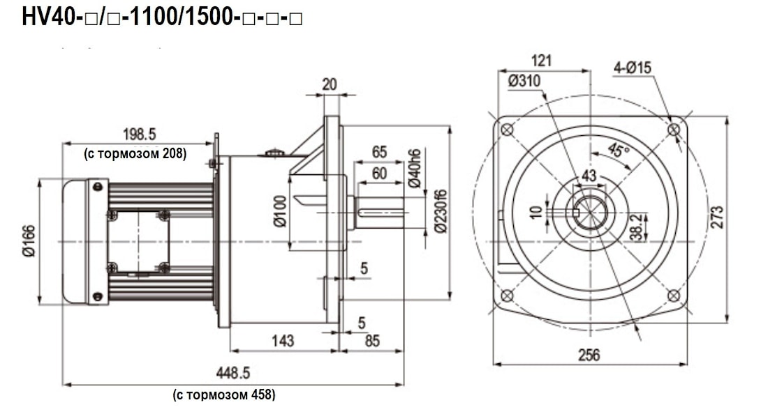
| Соосный мини мотор-редуктор НV40 (фланцевое исполнение) | |
| Обороты на выходном валу | Крутящий момент на выходном валу | Передаточное число | Модель редуктора | Масса |
| n2 (об/мин-1) | М2 (Нм) | i | m (кг) | |
| 7 | 828 | 200 | HH40(HV40)-7/200K-1100W/1500-□-□-□ | 32 |
| 8 | 768 | 180 | HH40(HV40)-8/180K-1100W/1500-□-□-□ | 32 |
| 9 | 680 | 160 | HH40(HV40)-9/160K-1100W/1500-□-□-□ | 32 |
| 10 | 597 | 140 | HH40(HV40)-10/140K-1100W/1500-□-□-□ | 32 |


Условное обозначение
| Мотор-редуктор | HV40 | 7 | / | 200K | 750W | / | 1500 | S2 | IG | |
|
| ||||||||||
|
| Тип мотор-редуктора | Вых. обо-роты |
| Переда-точное число | Мощность мотора | Обо-роты мотора | Питание мотора | Торможение | Опции электро- двигателя | |
| варианты: | HH40 (на лапах; d=40 )
HV40 (фланец; d=40) | 7 8 9 10 |
| 200 180 160 140 | 750W – 0.75кВт . | 1500 – 1500 об/мин | S2 – 3ф220В S3 – 3ф220В S2/3 – 3ф220/380В L – DC | - нет опций BR1 (B) – тормоз DC90V, при выключ. питании; BR/HR (YB) – тормоз с ручным растормаж-ием; BR2 (DB) - тормоз DC24V, при включ. питании;
Выпрямитель по умолчанию не входит в комплектацию
| - - нет опций; TF – термисторы; TW – термостат, биметаллический переключатель; WE –двухсторонний вал электродвигателя; TRO – тропический климат; IG – энкодер | |
+7 (495) 369-04-89
+7 (910) 726-725-4 (МТС) Смоленск
info@tech-privod.com
Республика Беларусь
+375 17 272-04-08 (т/ф) Минск
+375 29 61-787-61 (A1) Минск



