DC мотор-редуктор 2DC15W / 2GN5 … 18K Номинальная мощность – 0.015 кВт Выходные обороты: 144 об/мин ... 320 об/мин
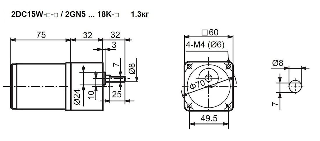
Коллекторный мотор-редуктор 2DC15W-□-□ / 2GN5 … 18K-□ – небольшой приводной механизм, базирующийся на 15 ваттном двигателе постоянного тока в сборе с миниатюрной редукторной частью с передаточными числами: i=5, i=6, i=7.5, i=9, i=10, i=12.5, i=15, i=18. Степень пыле- влаго- защищенности – IP44. Температуры эксплуатации -10С - + 40С. Ресурс использования привода – не менее 8000 сменочасов.
Контроллер регулирования скорости
| Обороты на выходном валу | Передаточное число | Крутящий момент на выходном валу | Мотор-редуктор | Диаметр вала | Вес |
| n2 (об/мин-1) | i | M2 (Нм) | m (кг) | ||
| 144 | 12.5 | 0.70 | 2DC15W-□-1.8s / 2GN12.5K-C8 | 8 | 1.3 |
| 160 | 18 | 0.56 | 2DC15W-□-3.2s / 2GN18K-C8 | 8 | 1.3 |
| 178 | 15 | 0.47 | 2DC15W-□-3.2s / 2GN15K-C8 | 8 | 1.3 |
| 180 | 10 | 0.56 | 2DC15W-□-1.8s / 2GN10K-C8 | 8 | 1.3 |
| 200 | 9.0 | 0.50 | 2DC15W-□-1.8s / 2GN9K-C8 | 8 | 1.3 |
| 213 | 12.5 | 0.39 | 2DC15W-□-3.2s / 2GN12.5K-C8 | 8 | 1.3 |
| 240 | 7.5 | 0.42 | 2DC15W-□-1.8s / 2GN7.5K-C8 | 8 | 1.3 |
| 256 | 10 | 0.31 | 2DC15W-□-3.2s / 2GN10K-C8 | 8 | 1.3 |
| 300 | 6.0 | 0.33 | 2DC15W-□-1.8s / 2GN6K-C8 | 8 | 1.3 |
| 320 | 9.0 | 0.28 | 2DC15W-□-3.2s / 2GN9K-C8 | 8 | 1.3 |

Условное обозначение
| DC Мотор-редуктор | 2DC | 15W | 12V | 3.2s | / | 2GN | 9 | K | C8 |
|
| |||||||||
|
| вых фланец □60х60 (см.также) | Мощность | Напряжение | Выходные обороты мотора |
| Марка редуктора | Передаточное число | Индекс используемого подшипника | Диаметр выходного вала |
| варианты: | - | - | 12V – 12 В 24V – 24 В | 1.8s – 1800 об/мин 3.2s – 3200 об/мин |
| - | 5 6 7.5 9 10 12.5 15 18 | 8мм | |
+7 (495) 369-04-89
+7 (910) 726-725-4 (МТС) Смоленск
info@tech-privod.com
Республика Беларусь
+375 17 272-04-08 (т/ф) Минск
+375 29 61-787-61 (A1) Минск

