DC планетарный мотор-редуктор 130.ПP216-F(C)28 и 130.ПP256-F(C)28 (600Вт ~ 1000Вт)
DC планетарный мотор-редуктор 130.ПP216-F(C)28 и 130.ПP256-F(C)28 (600Вт ~ 1000Вт)
| Обороты на выходном валу | Крутящий момент на выходном валу | Передаточное число | Мощность двигателя | Обороты двигателя | Напряжение | Модель |
| n2 (об/мин) | M2 (Нм) | i | Вт | n1 (об/мин-1) | В | |
| 18 | 353 | 216 | 800 | 3000 | 110 | 130.000.03/ 130.ПP216-F(C)28 |
| 18 | 353 | 216 | 800 | 3000 | 220 | 130.000.04/ 130.ПP216-F(C)28 |
| 18 | 471 | 216 | 1000 | 3000 | 110 | 130.000.53/ 130.ПP216-F(C)28 |
| 18 | 471 | 216 | 1000 | 3000 | 220 | 130.000.54/ 130.ПP216-F(C)28 |
| 12 | 466 | 256 | 800 | 3000 | 110 | 130.000.03/ 130.ПP256-F(C)28 |
| 12 | 466 | 256 | 800 | 3000 | 220 | 130.000.04/ 130.ПP256-F(C)28 |
| 12 | 621 | 256 | 1000 | 3000 | 110 | 130.000.53/ 130.ПP256-F(C)28 |
| 12 | 621 | 256 | 1000 | 3000 | 220 | 130.000.54/ 130.ПP256-F(C)28 |
| 9.0 | 419 | 216 | 600 | 1500 | 110 | 130.000.101 / 130.ПP216-F(C)28 |
| 9.0 | 419 | 216 | 600 | 1500 | 220 | 130.000.102/ 130.ПP216-F(C)28 |
| 9.0 | 632 | 216 | 950 | 1500 | 110 | 130.000.51/ 130.ПP216-F(C)28 |
| 9.0 | 632 | 216 | 950 | 1500 | 220 | 130.000.52/ 130.ПP216-F(C)28 |
| 6.0 | 497 | 256 | 600 | 1500 | 110 | 130.000.101 / 130.ПP256-F(C)28 |
| 6.0 | 497 | 256 | 600 | 1500 | 220 | 130.000.102/ 130.ПP256-F(C)28 |
| 6.0 | 724 | 256 | 950 | 1500 | 110 | 130.000.51/ 130.ПP256-F(C)28 |
| 6.0 | 724 | 256 | 950 | 1500 | 220 | 130.000.52/ 130.ПP256-F(C)28 |
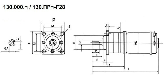
| Модель | A | B | C | D | E | F | G | GA | e | M | S | LA | L | MD | H | P |
| 130.000.XXX / 130.ПP216-F28 | 130 | 82 | 40 | 28 | 52 | 50 | 6 | 24.5 | 20 | 110 | 11 | 222 | 451 | 130 | 15 | 134 |
| 130.000.XXX / 130.ПP256-F28 | 130 | 82 | 40 | 28 | 52 | 50 | 6 | 24.5 | 20 | 110 | 11 | 254 | 473 | 130 | 15 | 134 |
| Модель | HA | HB | C | D | E | F | G | GA | e | AA | AB | LA | L | K | MD | HD | P | BA | BB | BC |
| 130.000.XXX / 130.ПP216-C28 | 85 | 153 | 40 | 28 | 52 | 50 | 6 | 24.5 | 5 | 160 | 136 | 222 | 451 | 13 | 130 | 13 | 134 | 120 | 78 | 26 |
| 130.000.XXX / 130.ПP256-C28 | 85 | 153 | 40 | 28 | 52 | 50 | 6 | 24.5 | 5 | 160 | 136 | 254 | 473 | 13 | 130 | 13 | 134 | 120 | 78 | 26 |
Если вы хотите купить DC планетарный мотор-редуктор 130.ПP216-F(C)28 и 130.ПP256-F(C)28 (600Вт ~ 1000Вт) , вы можете:
Позвонить:
Российская Федерация
+7 (495) 369-04-89
+7 (910) 726-725-4 (МТС) Смоленск
info@tech-privod.com
Республика Беларусь
+375 17 272-04-08 (т/ф) Минск
+375 29 61-787-61 (A1) Минск
+7 (495) 369-04-89
+7 (910) 726-725-4 (МТС) Смоленск
info@tech-privod.com
Республика Беларусь
+375 17 272-04-08 (т/ф) Минск
+375 29 61-787-61 (A1) Минск
