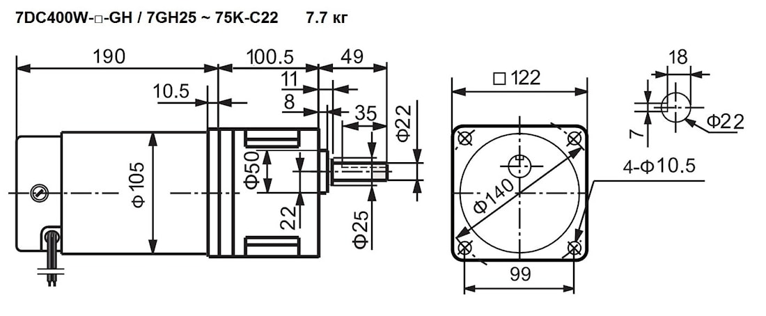
DC мини мотор редуктор 7DC400W-GH / 7GH25 ~ 75 (400 Ватт) 24 об/мин ... 72 об/мин
24 об/мин ... 72 об/мин
DC мини мотор редуктор 7DC400W-GH / 7GH25 ~ 75 (400 Ватт)Схема подключения
Регулятор скорости
Условные обозначения
| Модель мотор-редуктора | Выходные обороты | Передаточное число | Крутящий момент | Масса | |||
| мотор | редуктор | вал | n2 (об/мин) | i | M2 (Нм) | m (кг) | |
![]() | ![]() | ||||||
| 7DC400W-12V-GU / 7DC400W-24V-GU / 7DC400W-90V-GU / | 7GU25K | 22 | - | 72 | 25 | 43 | Стандарт – 7.7 |
| 7GU30K | 22 | - | 60 | 30 | 52 | ||
| 7GU36K | 22 | - | 50 | 36 | 63 | ||
| 7GU40K | 22 | - | 45 | 40 | 70 | ||
| 7GU50K | 22 | - | 36 | 50 | 66 | ||
| 7GU60K | 22 | - | 30 | 60 | 77 | ||
| 7GU75K | 22 | - | 24 | 75 | 83 | ||
| Стандартная модель |
|
Мотор редуктор 7DC400W/7GH - можно рассматривать в качестве аналога мотор редуктору SF8156
Если вы хотите купить DC мини мотор редуктор 7DC400W-GH / 7GH25 ~ 75 (400 Ватт) , вы можете:
Позвонить:
Российская Федерация
+7 (495) 369-04-89
+7 (910) 726-725-4 (МТС) Смоленск
info@tech-privod.com
Республика Беларусь
+375 17 272-04-08 (т/ф) Минск
+375 29 61-787-61 (A1) Минск
+7 (495) 369-04-89
+7 (910) 726-725-4 (МТС) Смоленск
info@tech-privod.com
Республика Беларусь
+375 17 272-04-08 (т/ф) Минск
+375 29 61-787-61 (A1) Минск



