DC мини мотор редуктор 7DC400W-GH / 7GH3 ~ 20 (400 Ватт) 90 об/мин ... 600 об/мин
90 об/мин ... 600 об/мин
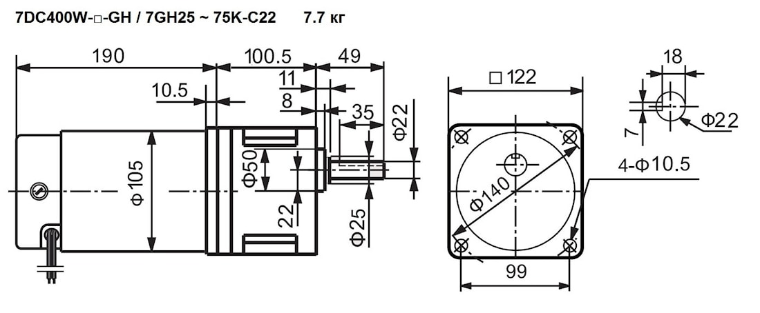
DC мини мотор редуктор 7DC400W-GH / 7GH3 ~ 20 (400 Ватт) Схема подключения
Регулятор скорости
Условные обозначения
| Модель мотор-редуктора | Выходные обороты | Передаточное число | Крутящий момент | Масса | |||
| мотор | редуктор | вал | n2 (об/мин) | i | M2 (Нм) | m (кг) | |
![]() | ![]() | ||||||
| 7DC400W-12V-GH / 7DC400W-24V-GH / 7DC400W-90V-GH / | 7GH3K | 22 | - | 600 | 3.0 | 6.0 | Стандарт – 7.5 |
| 7GH3.6K | 22 | - | 500 | 3.6 | 7.2 | ||
| 7GH5K | 22 | - | 360 | 5.0 | 10 | ||
| 7GH6K | 22 | - | 300 | 6.0 | 12 | ||
| 7GH7.5K | 22 | - | 240 | 7.5 | 15 | ||
| 7GH9K | 22 | - | 200 | 9.0 | 18 | ||
| 7GH10K | 22 | - | 180 | 10 | 20 | ||
| 7GH12.5K | 22 | - | 144 | 12.5 | 25 | ||
| 7GH15K | 22 | - | 120 | 15 | 30 | ||
| 7GH18K | 22 | - | 100 | 18 | 36 | ||
| 7GH20K | 22 | - | 90 | 20 | 40 | ||
Стандартная модель
|
Мотор редуктор 7DC400W/7GH - можно рассматривать в качестве аналога мотор редуктору SF8156
Если вы хотите купить DC мини мотор редуктор 7DC400W-GH / 7GH3 ~ 20 (400 Ватт) , вы можете:
Позвонить:
Российская Федерация
+7 (495) 369-04-89
+7 (910) 726-725-4 (МТС) Смоленск
info@tech-privod.com
Республика Беларусь
+375 17 272-04-08 (т/ф) Минск
+375 29 61-787-61 (A1) Минск
+7 (495) 369-04-89
+7 (910) 726-725-4 (МТС) Смоленск
info@tech-privod.com
Республика Беларусь
+375 17 272-04-08 (т/ф) Минск
+375 29 61-787-61 (A1) Минск



