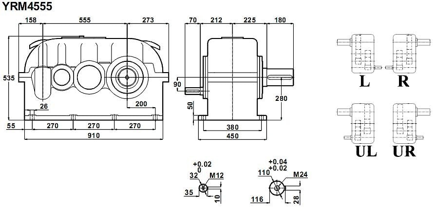
Четырехступенчатый редуктор YRM4555 i = 100 ... 530
i = 100 ... 530
YRM4555| Номинальный крутящий момент | Передаточное число | Тип | Номинальная мощность при сервис-факторе fs=1 | Допустимые радиальные нагрузки на | Вес | ||
| n1=1400 | n1=900 | выходящий вал | входящий вал | ||||
| Ma max [Nm] | i | kW | kW | N | N | кг | |
| 24000 | 100 | YRM4555 | 35 | 22,6 | 104707 | - | 565 |
| 24000 | 110 | 32 | 20,6 | 109849 | - | ||
| 24000 | 120 | 29 | 18,6 | 116246 | 1113 | ||
| 24000 | 130 | 27 | 17,4 | 120799 | 1682 | ||
| 24000 | 144 | 24 | 15,7 | 126779 | 2345 | ||
| 22490 | 157 | 21 | 13,7 | 106261 | 3211 | ||
| 22647 | 174 | 19 | 12 | 109242 | 3695 | ||
| 22276 | 193 | 17 | 10,6 | 102067 | 4239 | ||
| 20477 | 212 | 14 | 8,9 | 58478 | 4935 | ||
| 21700 | 241 | 13 | 7,7 | 90080 | 4511 | ||
| 20174 | 265 | 11 | 7,1 | 47917 | 5129 | ||
| 19975 | 294 | 10 | 6,5 | 39613 | 5492 | ||
| 19868 | 328 | 9 | 5,8 | 34399 | 5818 | ||
| 17927 | 365 | 7 | 4,7 | 74134 | 6327 | ||
| 18184 | 383 | 7 | 4,6 | 68199 | 6399 | ||
| 18568 | 428 | 6 | 4,1 | 58002 | 6581 | ||
| 18275 | 475 | 6 | 3,6 | 65952 | 6799 | ||
| 16022 | 529 | 4 | 2,9 | 106684 | 7162 | ||
Данный является техническим аналогом редукторов Ц3У-400Н-…-…, Ц3Н-400-…-… производства РоссияЕсли вы хотите купить четырехступенчатый редуктор YRM4555 , вы можете:
Позвонить:
Российская Федерация
+7 (495) 369-04-89
+7 (910) 726-725-4 (МТС) Смоленск
info@tech-privod.com
Республика Беларусь
+375 17 272-04-08 (т/ф) Минск
+375 29 61-787-61 (A1) Минск
+7 (495) 369-04-89
+7 (910) 726-725-4 (МТС) Смоленск
info@tech-privod.com
Республика Беларусь
+375 17 272-04-08 (т/ф) Минск
+375 29 61-787-61 (A1) Минск
