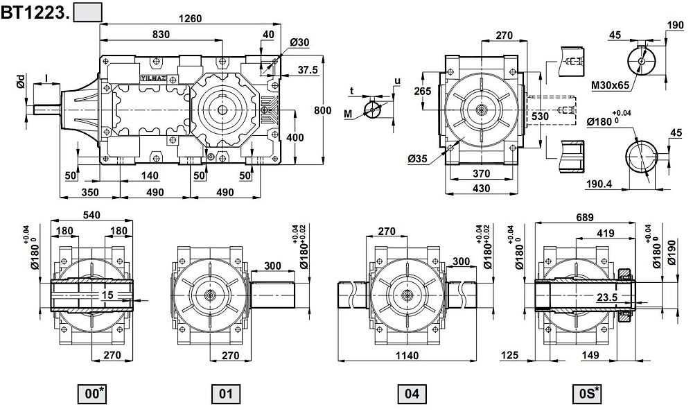
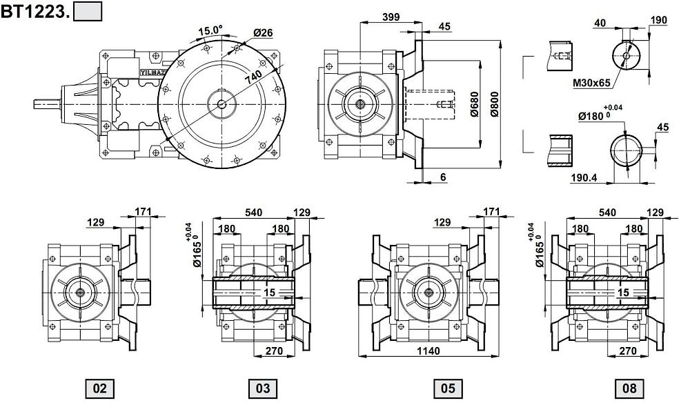
Трехступенчатый редуктор BT1223 i = 15 ... 80
i = 15 ... 80
BT 1223 | Номинальный крутящий момент | Передаточное число | Выходные обороты n2 | Номинальная мощность при сервис-факторе fs=1 | Тип | Допустимые радиальные нагрузки на | Вес | |
| n1=1400 | выходящий вал | входящий вал | |||||
| Ma max [Nm] | i | об/мин | kW | N | N | кг | |
| 39050 | 15,61 | 90 | 378 | BT1223 | 173 | 32 | 1670 |
| 45050 | 18,02 | 78 | 378 | 173 | 32 | ||
| 52350 | 20,94 | 67 | 378 | 173 | 32 | ||
| 59950 | 23,97 | 58 | 379 | 173 | 32 | ||
| 65200 | 26,08 | 54 | 379 | 173 | 32 | ||
| 70000 | 28,46 | 49 | 373 | 173 | 34 | ||
| 68550 | 32,75 | 43 | 318 | 173 | 35 | ||
| 68950 | 35,58 | 39 | 295 | 173 | 36 | ||
| 61500 | 38,24 | 37 | 244 | 173 | 36 | ||
| 62150 | 41,24 | 34 | 229 | 173 | 37 | ||
| 52250 | 49,83 | 28 | 160 | 173 | 23 | ||
| 56750 | 54,14 | 26 | 161 | 173 | 23 | ||
| 61000 | 58,19 | 24 | 161 | 173 | 23 | ||
| 62850 | 62,75 | 22 | 154 | 173 | 23 | ||
| 55150 | 71,06 | 20 | 119 | 173 | 23 | ||
| 54150 | 76,78 | 18 | 109 | 173 | 23 | ||


Если вы хотите купить трехступенчатый редуктор BT1223 , вы можете:
Позвонить:
Российская Федерация
+7 (495) 369-04-89
+7 (910) 726-725-4 (МТС) Смоленск
info@tech-privod.com
Республика Беларусь
+375 17 272-04-08 (т/ф) Минск
+375 29 61-787-61 (A1) Минск
+7 (495) 369-04-89
+7 (910) 726-725-4 (МТС) Смоленск
info@tech-privod.com
Республика Беларусь
+375 17 272-04-08 (т/ф) Минск
+375 29 61-787-61 (A1) Минск
