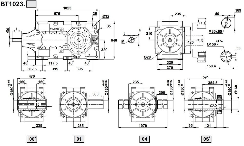
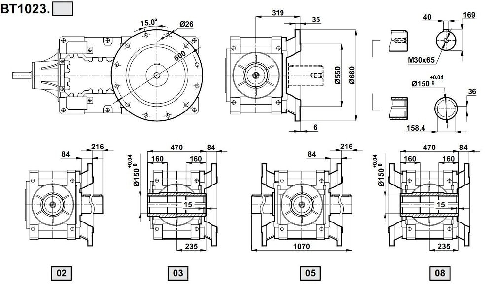
Трехступенчатый редуктор BT1023 i = 15 ... 80
i = 15 ... 80
Конический цилиндрический редуктор BT 1023 промышленного типа, номинальное значение передаваемого крутящего момента - 35 000 ньютон/метр. Передаточные числа: i=1:15, i=1:17, i=1:20, i=1:22, i=1:24, i=1:26, i=1:28, i=1:33, i=1:38, i=1:42, i=1:46, i=1:54, i=1:62, i=1:67, i=1:72, i=1:79.Расчетная мощность привода: 57KW - 239KW при угловых скоростях 1500 об/мин, 37KW - 157KW при угловых скоростях 1000 об/мин, 31KW - 132KW при угловых скоростях 750 об/мин, 19KW - 81KW при угловых скоростях 500 об/мин, 13KW - 54KW при угловых скоростях 300 об/мин.
| Номинальный крутящий момент | Передаточное число | Выходные обороты n2 | Номинальная мощность при сервис-факторе fs=1 | Тип | Допустимые радиальные нагрузки на | Вес | |
| n1=1400 | выходной вал | входной вал | |||||
| Ma max [Nm] | i | об/мин | kW | kN | kN | кг | |
| 24100 | 15,26 | 92 | 239 | BT1023 | 152 | 23 | 970 |
| 27950 | 17,72 | 79 | 239 | 153 | 23 | ||
| 32650 | 20,73 | 68 | 240 | 153 | 23 | ||
| 35450 | 22,50 | 62 | 240 | 153 | 23 | ||
| 36000 | 24,49 | 57 | 224 | 153 | 26 | ||
| 36000 | 26,43 | 53 | 207 | 153 | 26 | ||
| 36000 | 28,53 | 49 | 192 | 153 | 27 | ||
| 36000 | 33,58 | 42 | 164 | 153 | 28 | ||
| 36000 | 38,55 | 36 | 143 | 153 | 29 | ||
| 28800 | 42,52 | 33 | 104 | 153 | 15 | ||
| 31050 | 45,90 | 31 | 104 | 153 | 15 | ||
| 36000 | 54,02 | 26 | 103 | 153 | 15 | ||
| 36000 | 62,02 | 23 | 90 | 153 | 15 | ||
| 33600 | 66,59 | 21 | 78 | 153 | 15 | ||
| 34000 | 72,03 | 19 | 73 | 153 | 15 | ||
| 28650 | 78,78 | 18 | 57 | 153 | 15 | ||


Редуктор ВТ1023 можно рассматривать: как полный аналог редуктору 7КЦ2-450, и как технический аналог редуктору КЦ2-1300 производства Ижевского завода "Редуктор" и Майкопского редукторного завода "Зарем".
Если вы хотите купить трехступенчатый редуктор BT1023 , вы можете:
Позвонить:
Российская Федерация
+7 (495) 369-04-89
+7 (910) 726-725-4 (МТС) Смоленск
info@tech-privod.com
Республика Беларусь
+375 17 272-04-08 (т/ф) Минск
+375 29 61-787-61 (A1) Минск
+7 (495) 369-04-89
+7 (910) 726-725-4 (МТС) Смоленск
info@tech-privod.com
Республика Беларусь
+375 17 272-04-08 (т/ф) Минск
+375 29 61-787-61 (A1) Минск
