Четырехступенчатый редуктор BT0924 i = 79 ... 350
i = 79 ... 350
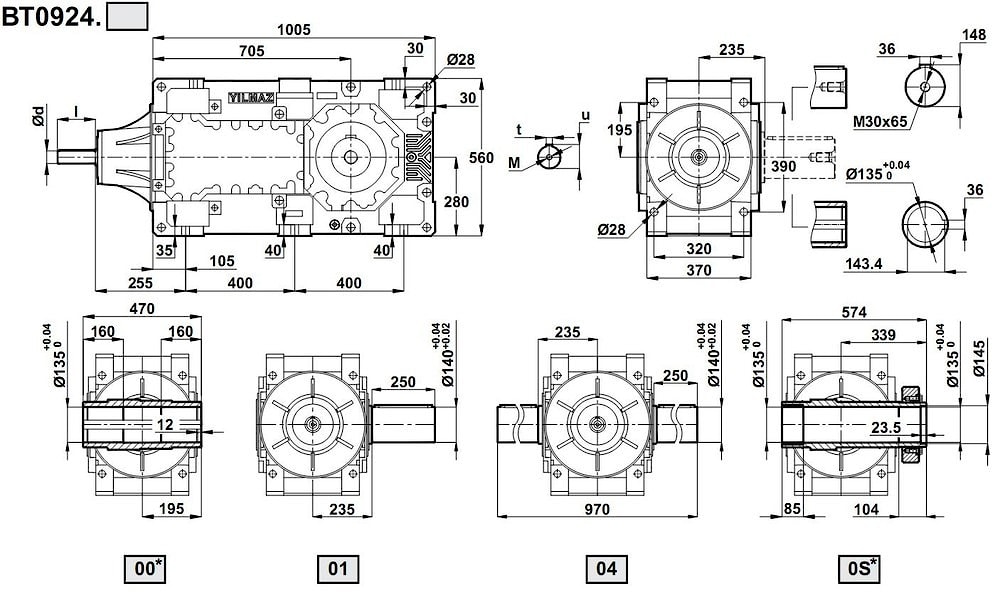
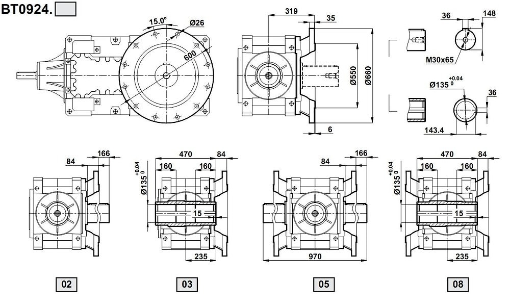
Индустриальный шестереночный привод с высокоэффективной конической передачей BT 0924. Редуктор рассчитан для доставки крутящих усилий 28 кНм, обладает развернутым рядом передаточными числами: i=80/1, i=85/1, i=95/1, i=110/1, i=130/1, i=140/1, i=150/1, i=180/1, i=200/1, i=220/1, i=255/1, i=300/1, i=350/1.Возможная мощность: при начальных оборотах 1500 об/мин - 12кВт - 57кВт, при начальных 1000 об/мин - 8,2кВт - 37кВт, при начальных 750 об/мин - 6,9кВт - 31кВт, при начальных 500 об/мин - 4,3кВт - 19кВт, при начальных 300 об/мин - 2,9кВт - 12кВт.
| Номинальный крутящий момент | Передаточное число | Выходные обороты n2 | Номинальная мощность при сервис-факторе fs=1 | Тип | Допустимые радиальные нагрузки на | Вес | |
| n1=1400 | выходящий вал | входящий вал | |||||
| Ma max [Nm] | i | об/мин | kW | kN | kN | кг | |
| 29000 | 79,03 | 18 | 57 | BT0924 | 54 | 13 | 850 |
| 29000 | 85,67 | 16 | 53 | 54 | 13 | ||
| 29000 | 93,14 | 15 | 49 | 54 | 13 | ||
| 29000 | 112,20 | 12 | 40 | 54 | 13 | ||
| 29000 | 127,51 | 11 | 36 | 54 | 13 | ||
| 29000 | 137,60 | 10 | 33 | 54 | 13 | ||
| 26400 | 149,03 | 9,4 | 28 | 54 | 8,4 | ||
| 29000 | 179,51 | 7,8 | 26 | 54 | 8,4 | ||
| 29000 | 204,02 | 6,9 | 23 | 54 | 8,4 | ||
| 29000 | 220,16 | 6,4 | 21 | 54 | 8,4 | ||
| 29000 | 255,99 | 5,5 | 18 | 54 | 8,4 | ||
| 29000 | 292,45 | 4,8 | 16 | 54 | 8,4 | ||
| 26250 | 348,47 | 4,0 | 12 | 54 | 8,4 | ||


Если вы хотите купить четырехступенчатый редуктор BT0924 , вы можете:
Позвонить:
Российская Федерация
+7 (495) 369-04-89
+7 (910) 726-725-4 (МТС) Смоленск
info@tech-privod.com
Республика Беларусь
+375 17 272-04-08 (т/ф) Минск
+375 29 61-787-61 (A1) Минск
+7 (495) 369-04-89
+7 (910) 726-725-4 (МТС) Смоленск
info@tech-privod.com
Республика Беларусь
+375 17 272-04-08 (т/ф) Минск
+375 29 61-787-61 (A1) Минск
