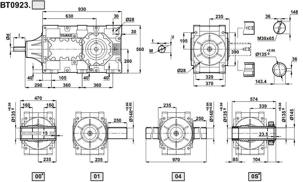
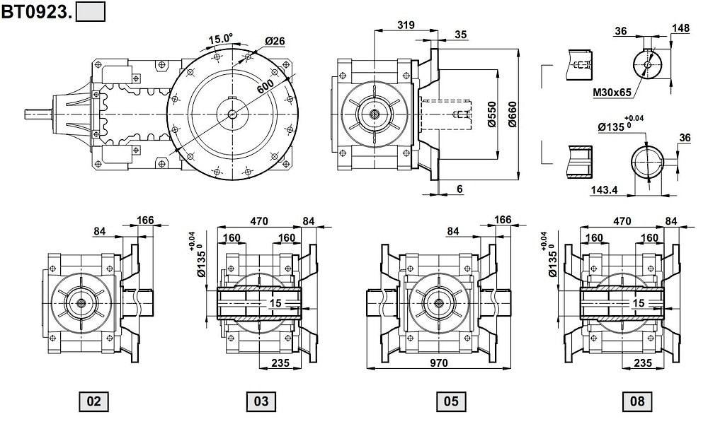
Трехступенчатый редуктор BT0923 i = 12 ... 64
i = 12 ... 64
Трехступенчатый коническо-цилиндрического редуктор BT 0923 - приводной механизм с номинальным крутящим моментом 28 000 Н*м, с развернутым рядом передаточных чисел от i=12 ~ i=64, с различными монтажными конструктивными исполнения ми, включая экструдерную приставку.Входная мощность: на скоростях 1500 об/мин - 56KW ~ 239KW, на скоростях 1000 об/мин - 37KW ~ 156KW, на скоростях 750 об/мин - 31KW ~ 131KW, на скоростях 500 об/мин - 19KW ~ 80KW, на скоростях 300 об/мин - 13KW ~ 54KW.
Гарантия: 24 месяцев.
| Номинальный крутящий момент | Передаточное число | Выходные обороты n2 | Номинальная мощность при сервис-факторе fs=1 | Тип | Допустимые радиальные нагрузки на | Вес | |
| n1=1400 | выходящий вал | входящий вал | |||||
| Ma max [Nm] | i | об/мин | kW | kN | kN | кг | |
| 19450 | 12,34 | 113 | 239 | BT0923 | 54 | 23 | 770 |
| 22600 | 14,32 | 98 | 239 | 54 | 23 | ||
| 26400 | 16,75 | 84 | 239 | 54 | 23 | ||
| 28650 | 18,18 | 77 | 239 | 54 | 23 | ||
| 29000 | 19,79 | 71 | 223 | 54 | 26 | ||
| 29000 | 21,36 | 66 | 206 | 54 | 26 | ||
| 29000 | 23,06 | 61 | 191 | 54 | 27 | ||
| 29000 | 27,14 | 52 | 163 | 54 | 28 | ||
| 29000 | 31,16 | 45 | 142 | 54 | 28 | ||
| 23250 | 34,36 | 41 | 104 | 54 | 15 | ||
| 25100 | 37,10 | 38 | 104 | 54 | 15 | ||
| 29000 | 43,66 | 32 | 102 | 54 | 15 | ||
| 29000 | 50,13 | 28 | 89 | 54 | 15 | ||
| 27150 | 53,82 | 26 | 78 | 54 | 15 | ||
| 27450 | 58,21 | 24 | 73 | 54 | 15 | ||
| 23200 | 63,67 | 22 | 56 | 54 | 15 | ||


Редуктор ВТ0923 можно расматривать как полный аналог редуктору 7КЦ2-450 , 7КЦ2 450 , 7 КЦ2-450 производства заводов "Редуктор" и "Зарем".
Если вы хотите купить трехступенчатый редуктор BT0923 , вы можете:
Позвонить:
Российская Федерация
+7 (495) 369-04-89
+7 (910) 726-725-4 (МТС) Смоленск
info@tech-privod.com
Республика Беларусь
+375 17 272-04-08 (т/ф) Минск
+375 29 61-787-61 (A1) Минск
+7 (495) 369-04-89
+7 (910) 726-725-4 (МТС) Смоленск
info@tech-privod.com
Республика Беларусь
+375 17 272-04-08 (т/ф) Минск
+375 29 61-787-61 (A1) Минск
