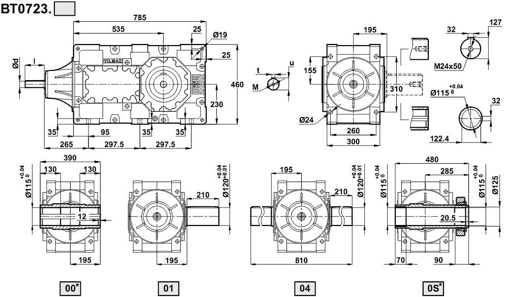
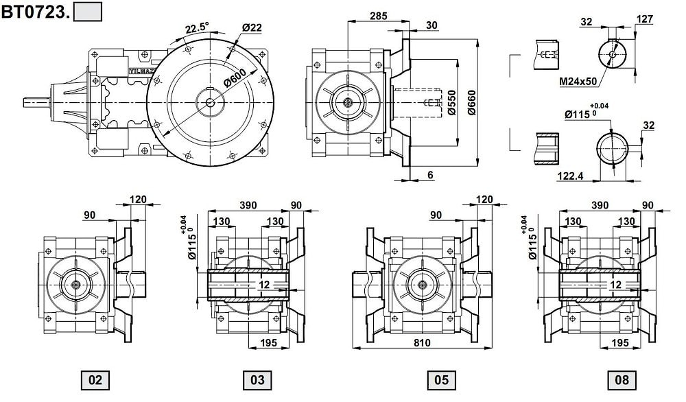
Трехступенчатый редуктор BT0723    i = 12 ... 58
 i = 12 ... 58
 BT0723 - индустриальный цилиндрический редуктор с конической передачей у основания, для эргономичного пере направления и перераспределения динамики движения и мощности входной энергоустановки.
   BT0723 - индустриальный цилиндрический редуктор с конической передачей у основания, для эргономичного пере направления и перераспределения динамики движения и мощности входной энергоустановки.Ряд передаточных отношений: i=12 к 1 ~ i=60 к 1.
Применим на следующих мощностях: 39 кВт - 139 кВт при при рабочих скоростях 1500 об/мин , 25 кВт - 100 кВт при при рабочих скоростях 1000 об/мин , 21 кВт - 84 кВт при при рабочих скоростях 750 об/мин , 13 кВт - 51 кВт при при рабочих скоростях 500 об/мин , 8,9 кВт - 34 кВт при при рабочих скоростях 300 об/мин .
| Номинальный крутящий момент | Передаточное число | Выходные обороты n2 | Номинальная мощность при сервис-факторе fs=1 | Тип | Допустимые радиальные нагрузки на | Вес | |
| n1=1400 | выходящий вал | входящий вал | |||||
| Ma max [Nm] | i | об/мин | kW | kN | kN | кг | |
| 11100 | 12,03 | 116 | 139 | BT0723 | 88 | 17 | 530 | 
| 12300 | 13,95 | 100 | 134 | 88 | 17 | ||
| 13000 | 15,06 | 93 | 131 | 88 | 17 | ||
| 13700 | 16,30 | 86 | 128 | 88 | 17 | ||
| 14500 | 17,68 | 79 | 125 | 88 | 17 | ||
| 15300 | 19,23 | 73 | 121 | 88 | 17 | ||
| 16150 | 20,99 | 67 | 117 | 88 | 17 | ||
| 17750 | 24,33 | 58 | 111 | 88 | 17 | ||
| 14600 | 28,15 | 50 | 79 | 88 | 17 | ||
| 12100 | 30,94 | 45 | 60 | 88 | 12 | ||
| 13200 | 33,77 | 41 | 60 | 88 | 12 | ||
| 15300 | 39,14 | 36 | 60 | 88 | 12 | ||
| 17500 | 45,28 | 31 | 60 | 88 | 12 | ||
| 16200 | 49,64 | 28 | 50 | 88 | 12 | ||
| 15400 | 53,72 | 26 | 44 | 88 | 12 | ||
| 14500 | 58,38 | 24 | 39 | 88 | 12 | ||


Редуктор ВТ0723 можно рассматривать как технический аналог редуктору КЦ2-1000 производства Ижевского завода "Редуктор" и завода "Зарем".
Если вы хотите купить трехступенчатый редуктор BT0723   , вы можете:
 Позвонить: 
Российская Федерация
+7 (495) 369-04-89
+7 (910) 726-725-4 (МТС) Смоленск
info@tech-privod.com
Республика Беларусь
+375 17 272-04-08 (т/ф) Минск
+375 29 61-787-61 (A1) Минск
+7 (495) 369-04-89
+7 (910) 726-725-4 (МТС) Смоленск
info@tech-privod.com
Республика Беларусь
+375 17 272-04-08 (т/ф) Минск
+375 29 61-787-61 (A1) Минск
