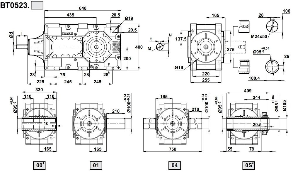
Трехступенчатый редуктор BT0523 i = 13 ... 70
i = 13 ... 70
Силовой узел по передаче крутящего момента в промышленных условиях BT 0523 , номинальная установленная мощность - 8,5kNm , допустимые радиальные нагрузки на входные валы - 12 кН, на выходные - 47 кН.Подключаемая мощность составляет (без учета систем охлаждения и дополнительной смазки): на скоростях 1500 об/мин 17 кВт - 70 кВт ; на скоростях 1000 об/мин 11 кВт - 46 кВт ; на скоростях 450 об/мин 6,0 кВт - 23 кВт ; на скоростях 300 об/мин 4,1 кВт - 16 кВт .
Передаточные числа: i=1/ 13 ~ i=1/70 .
| Номинальный крутящий момент | Передаточное число | Выходные обороты n2 | Номинальная мощность при сервис-факторе fs=1 | Тип | Допустимые радиальные нагрузки на | Вес | |
| n1=1400 | выходящий вал | входящий вал | |||||
| Ma max [Nm] | i | об/мин | kW | kN | kN | кг | |
| 6060 | 13,28 | 105 | 70 | BT0523 | 47 | 12 | 270 |
| 6790 | 14,87 | 94 | 69 | 47 | 12 | ||
| 7670 | 16,79 | 83 | 70 | 47 | 12 | ||
| 9000 | 20,09 | 70 | 68 | 47 | 12 | ||
| 9000 | 21,78 | 64 | 63 | 47 | 12 | ||
| 9000 | 23,68 | 59 | 58 | 47 | 12 | ||
| 9000 | 28,52 | 49 | 48 | 47 | 12 | ||
| 9000 | 32,42 | 43 | 43 | 47 | 12 | ||
| 9000 | 34,98 | 40 | 40 | 47 | 12 | ||
| 6850 | 37,89 | 37 | 28 | 47 | 8,4 | ||
| 8250 | 45,64 | 31 | 28 | 47 | 8,4 | ||
| 9000 | 51,87 | 27 | 27 | 47 | 8,4 | ||
| 9000 | 55,97 | 25 | 25 | 47 | 8,4 | ||
| 8890 | 60,62 | 23 | 23 | 47 | 8,4 | ||
| 6680 | 64,03 | 22 | 16 | 47 | 8,4 | ||
| 7720 | 69,75 | 20 | 17 | 47 | 8,4 | ||
Редуктор ВТ0523 можно расматривать как технический аналог редуктору КЦ2 750 , КЦ2-750 , КЦ 2 750 производства Ижевского завода "Редуктор" и завода "Зарем".Если вы хотите купить трехступенчатый редуктор BT0523 , вы можете:
Позвонить:
Российская Федерация
+7 (495) 369-04-89
+7 (910) 726-725-4 (МТС) Смоленск
info@tech-privod.com
Республика Беларусь
+375 17 272-04-08 (т/ф) Минск
+375 29 61-787-61 (A1) Минск
+7 (495) 369-04-89
+7 (910) 726-725-4 (МТС) Смоленск
info@tech-privod.com
Республика Беларусь
+375 17 272-04-08 (т/ф) Минск
+375 29 61-787-61 (A1) Минск
