Четырехступенчатый редуктор - HT1024 i = 120 ... 420
i = 120 ... 420
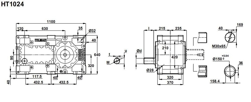
Промышленная трансмиссионная зубчатая передача с номинальным моментом 36000 нм, или индустриальный многоступенчатый редуктор HT 1024 выпускается в прочном литом корпусе , развернутый ряд передаточных чисел : 1/120 ; 1/135 ; 1/155 ; 1/180 ; 1/210 ; 1/330 ;1/360 ; 1/390 ; 1/420 .Расчетная мощность: 13 кВт ~ 46 кВт при 1500 об/мин на входе; 8,6 кВт ~ 30 кВт при 1000 об/мин на входе; 7,1 кВт ~ 25 кВт при 750 об/мин на входе; 4,3 кВт ~ 15 кВт при 500 об/мин на входе; 2,9 кВт ~ 10 кВт при 300 об/мин на входе.
Рациональной системой охлаждения и смазки термальная мощность редуктора может быть увеличена.
Гарантия - 2 года.
| Номинальный крутящий момент | Передаточное число | Выходные обороты n2 | Номинальная мощность при сервис-факторе fs=1 | Тип | Допустимые радиальные нагрузки на | Вес | |
| n1=1400 | выходящий вал | входящий вал | |||||
| Ma max [Nm] | i | об/мин | kW | kN | kN | кг | |
| 36000 | 119,44 | 12 | 46 | НТ1024 | 153 | 9,1 | 1020 |
| 36000 | 136,20 | 10 | 40 | 153 | 9,2 | ||
| 36000 | 156,01 | 9,0 | 35 | 153 | 9,3 | ||
| 36000 | 179,78 | 7,8 | 31 | 153 | 9,4 | ||
| 36000 | 208,84 | 6,7 | 26 | 153 | 9,5 | ||
| 36000 | 225,93 | 6,2 | 24 | 153 | 9,6 | ||
| 36000 | 250,27 | 5,6 | 22 | 153 | 6,8 | ||
| 36000 | 280,91 | 5,0 | 20 | 153 | 6,9 | ||
| 36000 | 331,99 | 4,2 | 17 | 153 | 6,9 | ||
| 36000 | 359,57 | 3,9 | 15 | 153 | 4,9 | ||
| 36000 | 388,17 | 3,6 | 14 | 153 | 4,9 | ||
| 36000 | 419,49 | 3,3 | 13 | 153 | 4,9 | ||

Если вы хотите купить четырехступенчатый редуктор - HT1024 , вы можете:
Позвонить:
Российская Федерация
+7 (495) 369-04-89
+7 (910) 726-725-4 (МТС) Смоленск
info@tech-privod.com
Республика Беларусь
+375 17 272-04-08 (т/ф) Минск
+375 29 61-787-61 (A1) Минск
+7 (495) 369-04-89
+7 (910) 726-725-4 (МТС) Смоленск
info@tech-privod.com
Республика Беларусь
+375 17 272-04-08 (т/ф) Минск
+375 29 61-787-61 (A1) Минск
