Двухступенчатый редуктор - HT0422 i = 6 ... 22
i = 6 ... 22
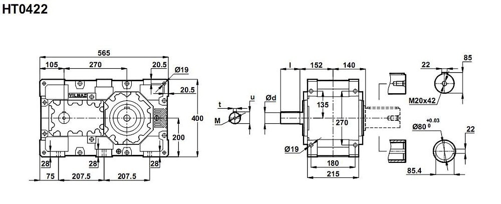
Индустриальный цилиндрический редуктор HT 0422 , с номинальным вращающим моментом 5500 ньютонов/метр.Ряд передаточных отношений: i=1/6,5 ; i=1/6.7 ; i=1/7.7 ; i=1/8.9 ; i=1/10.3 ; i=1/11.1 ; i=1/13.3 ; i=1/15.5 ; i=1/16.8 ; i=1/18.9 ; i=1/20.1 ; i=1/21.8.
При входной скорости 1500 об/мин, мощность привода 28 кВт - 135 кВт; при входной скорости 1000 об/мин, мощность привода 18 кВт - 88 кВт , при входной скорости 750 об/мин, мощность привода 15 кВт - 79 кВт, при входной скорости 500 об/мин, мощность привода 9,4 кВт - 44 кВт, при входной скорости 300 об/мин, мощность привода 6,4 кВт - 29 кВт.
Исполнения: полый вал, цельный вал, выходной фланец, экструдерная приставка.
| Номинальный крутящий момент | Передаточное число | Выходные обороты n2 | Номинальная мощность при сервис-факторе fs=1 | Тип | Допустимые радиальные нагрузки на | Вес | |
| n1=1400 | выходящий вал | входящий вал | |||||
| Ma max [Nm] | i | об/мин | kW | kN | kN | кг | |
| 5400 | 6,05 | 231 | 135 | НТ0422 | 26 | 0,1 | 195 |
| 5500 | 6,72 | 208 | 123 | 26 | 0,8 | ||
| 5500 | 7,69 | 182 | 107 | 26 | 5,0 | ||
| 5500 | 8,85 | 158 | 93 | 26 | 8,9 | ||
| 5500 | 10,27 | 136 | 80 | 26 | 11 | ||
| 5500 | 11,11 | 126 | 74 | 26 | 12 | ||
| 5470 | 13,33 | 105 | 62 | 26 | 7,9 | ||
| 5330 | 15,49 | 90 | 52 | 26 | 8,0 | ||
| 5030 | 16,78 | 83 | 45 | 26 | 8,0 | ||
| 4410 | 18,88 | 74 | 35 | 26 | 5,6 | ||
| 3850 | 20,16 | 69 | 29 | 26 | 5,7 | ||
| 3990 | 21,76 | 64 | 28 | 26 | 5,8 | ||

Редуктор НТ 04 22 можно расматривать как технический аналог редукторам PL160 , PL160/3 , МPL160 , МPL160/3 производства Siti (Италия) и аналог редукторам ВКУ-500М , ВКУ500М1 , ВКУ-600 , ВКУ-610М , ВКУ-610М1 / производства Россия
Если вы хотите купить двухступенчатый редуктор - HT0422 , вы можете:
Позвонить:
Российская Федерация
+7 (495) 369-04-89
+7 (910) 726-725-4 (МТС) Смоленск
info@tech-privod.com
Республика Беларусь
+375 17 272-04-08 (т/ф) Минск
+375 29 61-787-61 (A1) Минск
+7 (495) 369-04-89
+7 (910) 726-725-4 (МТС) Смоленск
info@tech-privod.com
Республика Беларусь
+375 17 272-04-08 (т/ф) Минск
+375 29 61-787-61 (A1) Минск
