Червячный мотор-редуктор NMRV050 Номинальная мощность - 0.12кВт Выходные обороты: 13.5об/мин ... 22.5 об/мин
Номинальная мощность - 0.12кВт
Выходные обороты: 13.5об/мин ... 22.5 об/мин
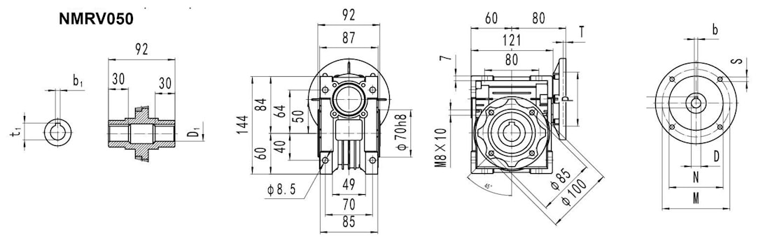
Червячный мотор-редуктор NMRV050 - компактная промышленная зубчатая передача, эксплуатируемая с электродвигателем номинальной мощностью 120Ватт. Диаметр полого выходного вала d=25; совместные передаваемые крутящие моменты. Объемы заливаемого масла составляют 0.15л (причем в различных монтажно-пространственных положениях). Наличие сапуна для испарения газов обязательно. При интенсивных видах работ рекомендуется контроль масла в течении 6 месяцев и замена масла в течении 12 месяцев; при менее интенсивных работах допускается смягчение этих правил.
Гарантия - 12 месяцев.
| Обороты на выходном валу | Крутящий момент на выходном вал | Передаточное число | Радиальные нагрузки на выходном валу | Сервис-фактор | Тип редуктора |
| n2(об/мин) | M2(Нм) | i | Fr(Н) | ||
| 22.5 | 29 | 60 | 3610 | 2.4 | NMRV050 + 0.12кВт/1500об |
| 17 | 35 | 80 | 3973 | 1.8 | |
| 13.5 | 41 | 100 | 4280 | 1.3 |

| D | b | t | P | M | N | S | T | |
| 63B5 | 11 | 4 | 12.8 | 140 | 115 | 95 | 9 | 4 |
Если вы хотите купить червячный мотор-редуктор NMRV050 , вы можете:
Позвонить:
Российская Федерация
+7 (495) 369-04-89
+7 (910) 726-725-4 (МТС) Смоленск
info@tech-privod.com
Республика Беларусь
+375 17 272-04-08 (т/ф) Минск
+375 29 61-787-61 (A1) Минск
+7 (495) 369-04-89
+7 (910) 726-725-4 (МТС) Смоленск
info@tech-privod.com
Республика Беларусь
+375 17 272-04-08 (т/ф) Минск
+375 29 61-787-61 (A1) Минск
