Бесщеточный DC электродвигатель и мотор редуктор 25W Номинальная мощность – 25Вт
Номинальная мощность – 25Вт
Бесщеточный двигатель постоянного тока G2BLD25W и, построенные на базе данного мотора, мотор-редукторы – являются маломощными, низковольтными приводами обще промышленного назначения. Используются в областях, где применение постоянного тока обусловлено технологическими нормами, и где требуется более рациональное изменение динамики выходных оборотов, более экономичное потребление электроэнергии, более эргономичная компактная форма механического привода. Параметры электродвигательной части
| Модель | Напряжение | Мощность | Выходная скорость | Крутящий момент | Ток | Длина мотора |
| В | Вт | Об/мин | Нм | А | мм | |
| G2BLD25W-12V-18s | 12 | 25 | 1800 | 0.13 | 3.4 | 50.5 |
| G2BLD25W-12V-30s | 12 | 25 | 3000 | 0.08 | 3.4 | 50.5 |
| G2BLD25W-24V-18s | 24 | 25 | 1800 | 0.13 | 1.9 | 50.5 |
| G2BLD25W-48V-18s | 48 | 25 | 1800 | 0.13 | 1.0 | 50.5 |
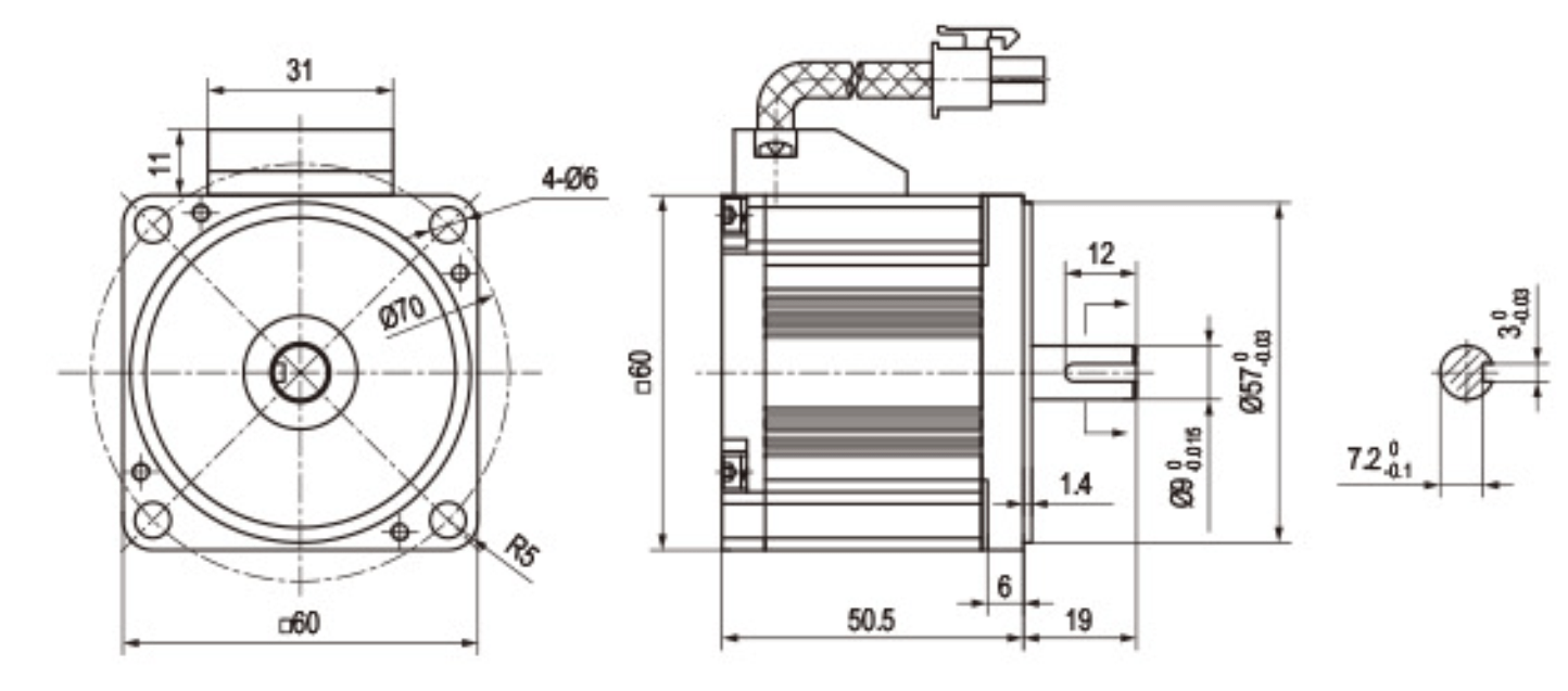
| Бесщеточный DC электродвигатель G2BLD25W |
Параметры редукторной части
| Передаточное число | 3 | 3.6 | 5 | 6 | 7.5 | 9 | 10 | 12.5 | 15 | 18 | 20 | 25 | 30 | 36 | 50 | 60 | 75 | 90 | 100 | 120 | 150 | 180 | 200 | 250 | 300 |
| Выходная скорость, об/мин | 600 | 500 | 360 | 300 | 240 | 200 | 180 | 144 | 120 | 100 | 90 | 72 | 60 | 50 | 36 | 30 | 24 | 20 | 18 | 15 | 12 | 10 | 9 | 7.2 | 6 |
| Крутящий момент, Nm | 0.36 | 0.43 | 0.54 | 0.64 | 0.81 | 0.97 | 1.1 | 1.3 | 1.6 | 1.9 | 2.2 | 2.4 | 2.5 | 2.5 | 2.5 | 2.5 | 2.5 | 2.5 | 2.5 | 2.5 | 2.5 | 2.5 | 2.5 | 2.5 | 2.5 |
| Бесщеточный DC мотор-редуктор G2BLD25W |
| Электродвигатель | Редукторная часть | Передаточное число | L,мм |
| G2BLD25W-12V-18s-GN | 2GN_K | 1:3 ~ 1:20 | 32 |
| G2BLD25W-12V-30s-GN | |||
| G2BLD25W-24V-18s-GN | 1:25 ~ 1:300 | 40 | |
| G2BLD25W-48V-18s-GN |
Если вы хотите купить бесщеточный DC электродвигатель и мотор редуктор 25W , вы можете:
Позвонить:
Российская Федерация
+7 (495) 369-04-89
+7 (910) 726-725-4 (МТС) Смоленск
info@tech-privod.com
Республика Беларусь
+375 17 272-04-08 (т/ф) Минск
+375 29 61-787-61 (A1) Минск
+7 (495) 369-04-89
+7 (910) 726-725-4 (МТС) Смоленск
info@tech-privod.com
Республика Беларусь
+375 17 272-04-08 (т/ф) Минск
+375 29 61-787-61 (A1) Минск
